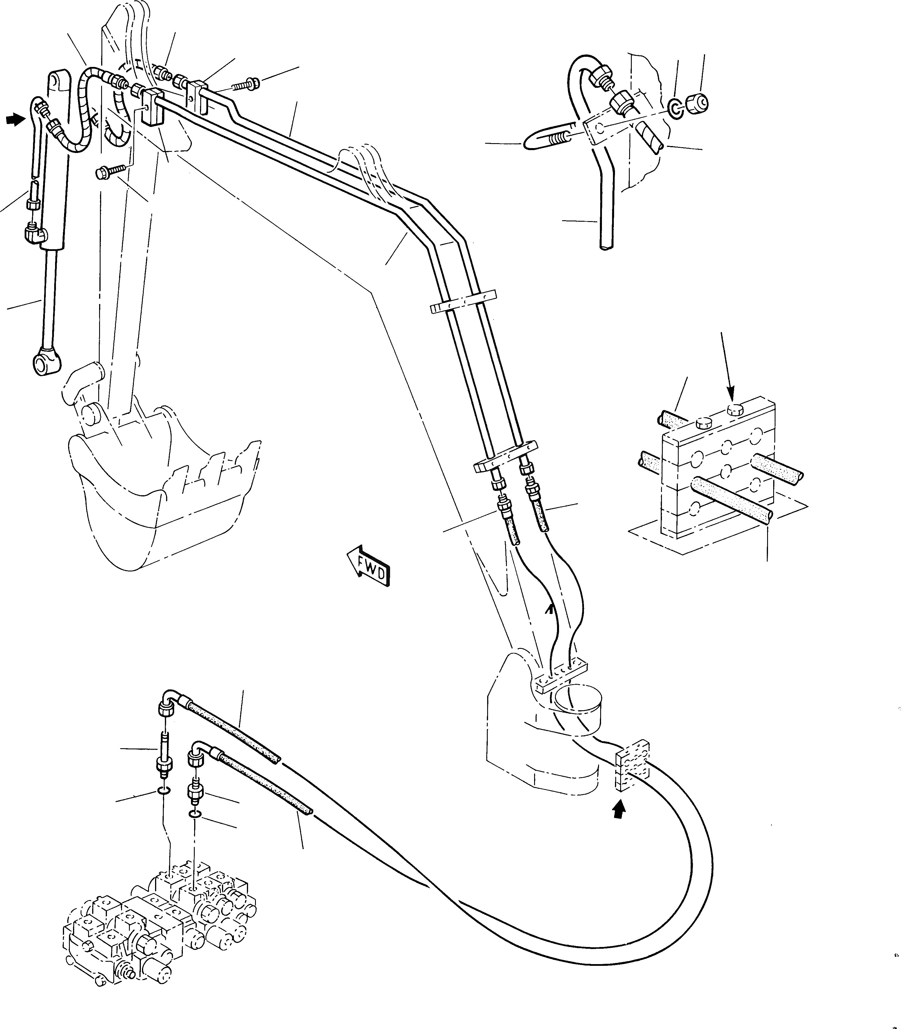
Запчасти Komatsu 222 ГИДРОЛИНИЯ (ЦИЛИНДР КОВША) РАБОЧЕЕ ОБОРУДОВАНИЕ

Схема запчастей Komatsu 222 - ГИДРОЛИНИЯ (ЦИЛИНДР КОВША) РАБОЧЕЕ ОБОРУДОВАНИЕ
a
a
b
b
A
7
7
12
15
11
16
6
10
7
15
16
8
8
5
9
4
4
3
3
4
1
13
2
14
3
FIT
1:1
100%

Артикул

Название

Примечание

Количество

1

500368298

UNION

2

855670004

O-RING

3

852951078

HOSE

4

852951117

HOSE

5

200767424

PIPE, L.H.

6

200767422

PIPE, R.H.

7

852951091

HOSE

8

200767401

PIPE

9

200064604

CYLINDER, ASSY.

10

500022879

CLAMP

11

802170000

WASHER

12

801852206

NUT

13

500358788

UNION

14

855670004

O-RING

15

393004008

CLAMP

16

801085028

BOLT

|A

SEE FIG. 7190

Выбрано товаров: 17