Запчасти Komatsu 222 СМАЗЫВ. НАСОС И ПОДАЮЩ. КОЖУХ ДВИГАТЕЛЬ

Схема запчастей Komatsu 222 - СМАЗЫВ. НАСОС И ПОДАЮЩ. КОЖУХ ДВИГАТЕЛЬ
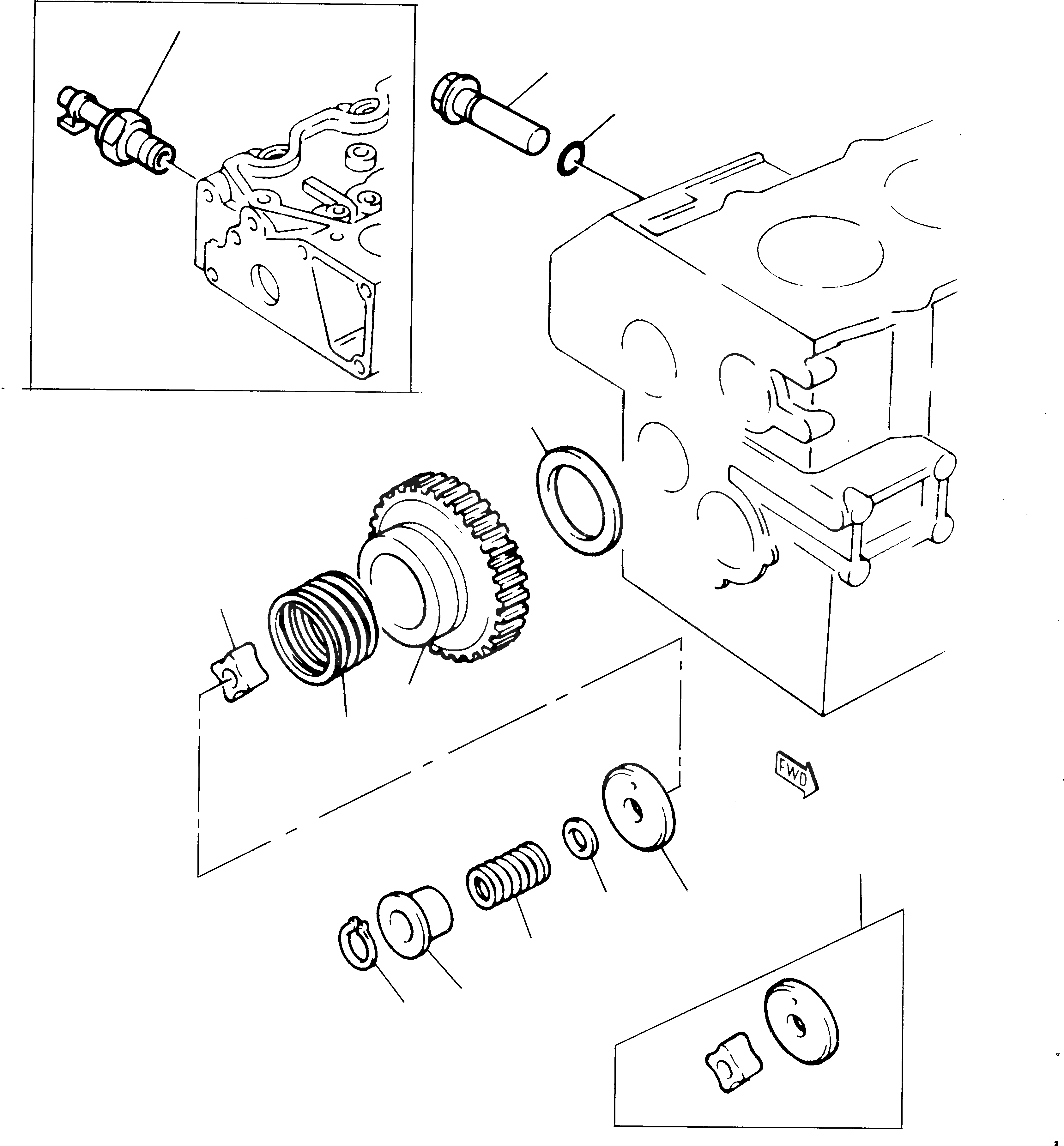
13
10
11
9
3
1
2
12
4
5
6
7
8
FIT
1:1
100%

Артикул

Название

Примечание

Количество

1

PKP000483

GEAR

2

PKP000157

SPRING

3

PKP000484

ROTOR

4

PKP000161

COVER

5

PKP000162

SHIM, 0.100 mm

5

PKP000163

SHIM, 0.150 mm

5

PKP000164

SHIM, 0.200 mm

5

PKP000165

SHIM, 0.500 mm

6

PKP000166

SPRING

7

PKP000167

COLLAR

8

PKP000168

CIRCLIP

9

PKP000169

WASHER

10

PKP000485

VALVE

11

PKP000171

O-RING

12

PKP000486

KIT, REPAIR

13

PKP000003

SWITCH

Выбрано товаров: 16