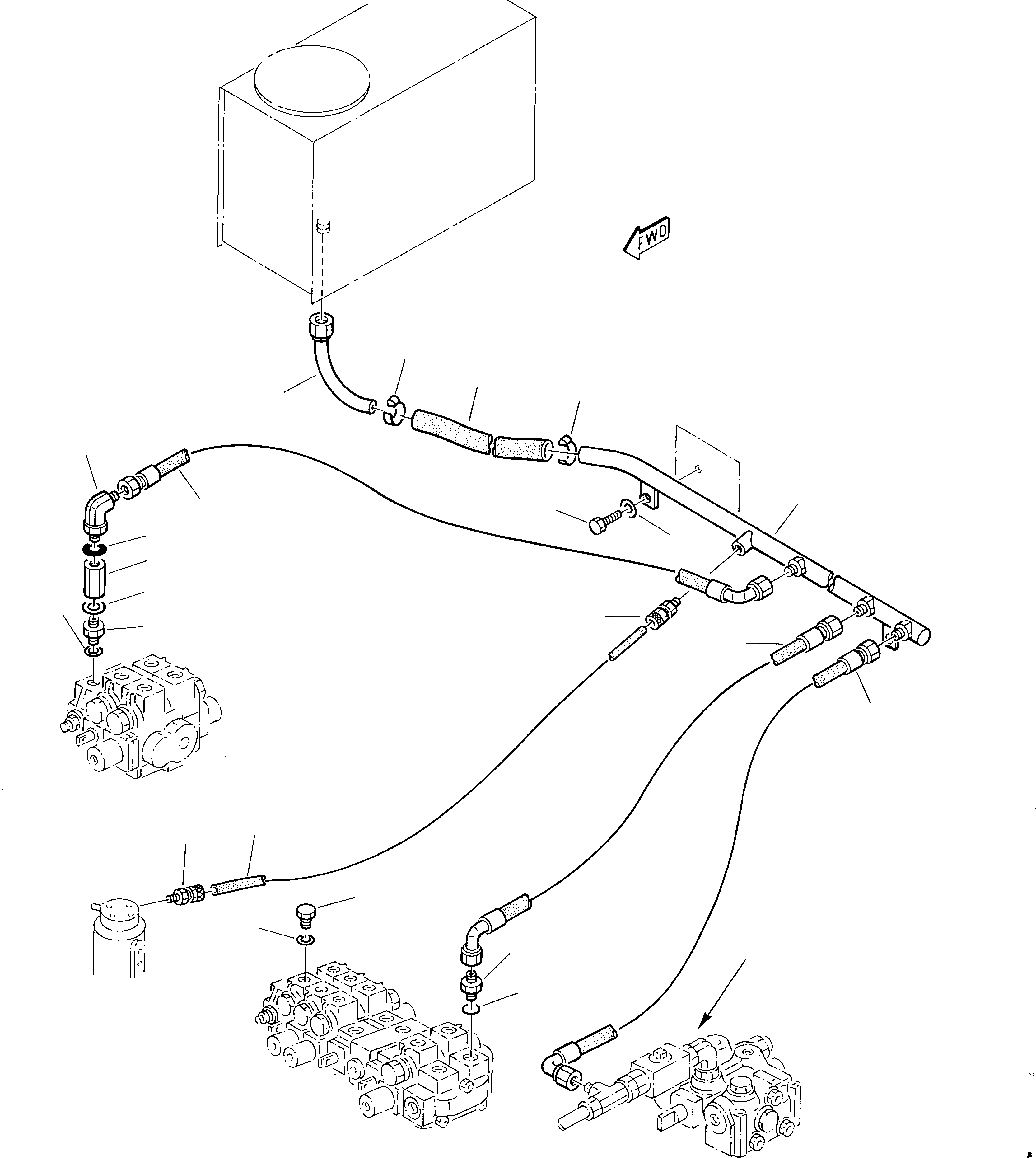
Запчасти Komatsu 222 ГИДРОЛИНИЯ (ВОЗВРАТ. ЛИНИЯ) УПРАВЛ-Е РАБОЧИМ ОБОРУДОВАНИЕМ

Схема запчастей Komatsu 222 - ГИДРОЛИНИЯ (ВОЗВРАТ. ЛИНИЯ) УПРАВЛ-Е РАБОЧИМ ОБОРУДОВАНИЕМ
A
2
3
2
1
14
4
5
13
15
6
16
17
19
7
18
9
10
8
7
20
19
11
12
FIT
1:1
100%

Артикул

Название

Примечание

Количество

1

200767429

PIPE

2

802660142

HOSE-CLAMP

3

852951197

HOSE

4

200767221

PIPE

5

801015108

BOLT

6

802070010

WASHER

7

500368181

UNION

8

852951096

HOSE

9

852951186

HOSE

10

852951188

HOSE

11

500355165

UNION

12

855670003

O-RING

13

852951187

HOSE

14

500352131

ELBOW

15

855051617

O-RING

16

845010225

VALVE

17

855150054

GASKET

18

500361120

UNION

19

855150055

GASKET

20

500366003

PLUG

|A

SEE FIG. 7170

Выбрано товаров: 21