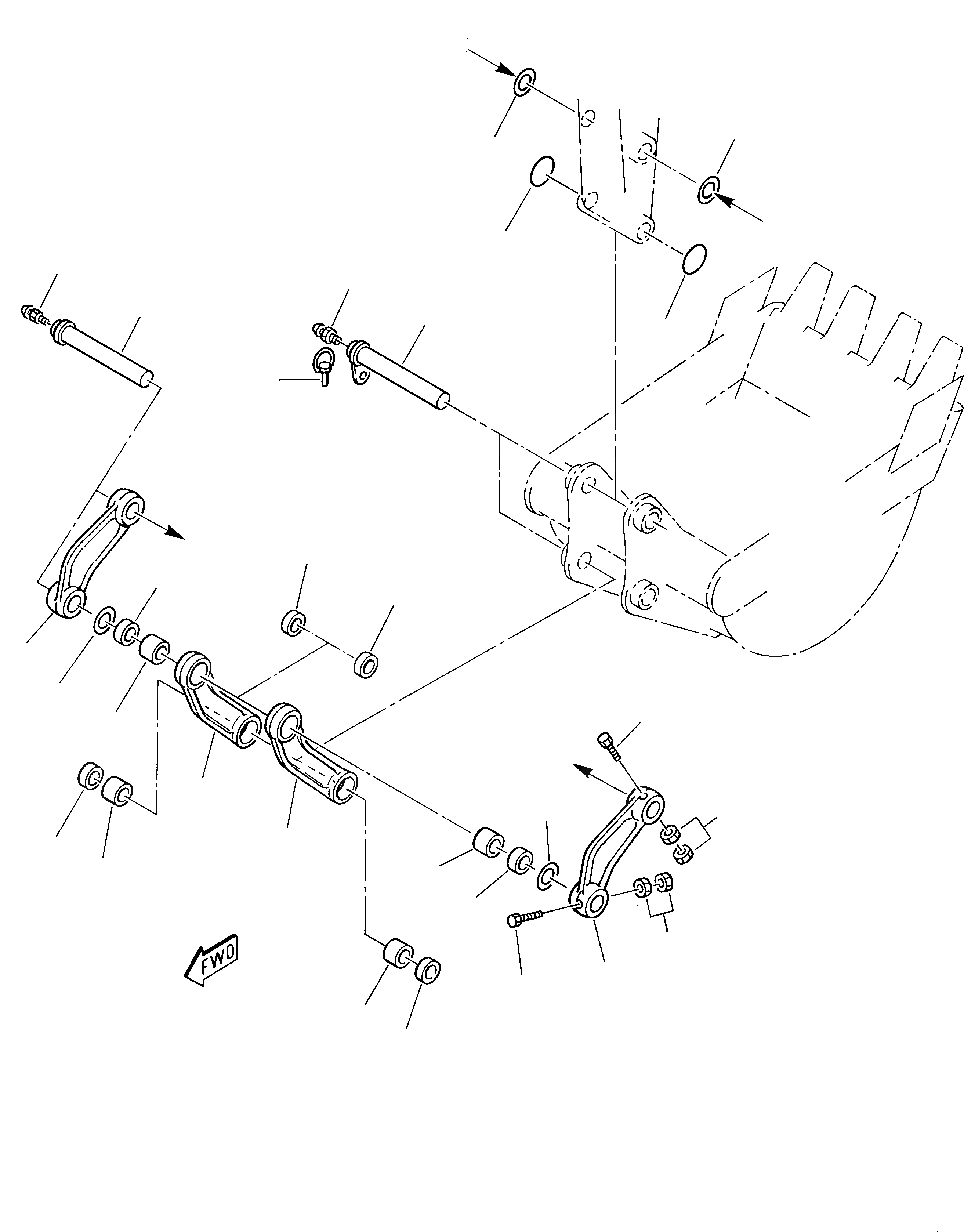
Запчасти Komatsu 230 СОЕДИНЕНИЕ КОВША РАБОЧЕЕ ОБОРУДОВАНИЕ

Схема запчастей Komatsu 230 - СОЕДИНЕНИЕ КОВША РАБОЧЕЕ ОБОРУДОВАНИЕ
a
a
b
b
10
10
14
8
8
11
7
14
9
6
6
6
2
10
12
5
4
10
13
3
6
5
5
6
13
1
12
5
6
FIT
1:1
100%

Артикул

Название

Примечание

Количество

1

200703096

LINK, L.H.

2

200703095

LINK, R.H.

3

200703094

LINK, L.H.

4

200703093

LINK, R.H.

5

500216089

BUSHING

6

855661151

GASKET

7

200329123

PIN

8

860010009

FITTING

9

802620004

PIN, SAFETY

10

500119480

SHIM, 1.000 mm

11

200329084

PIN

12

801015737

BOLT

13

801920106

NUT

14

855661173

O-RING

Выбрано товаров: 14