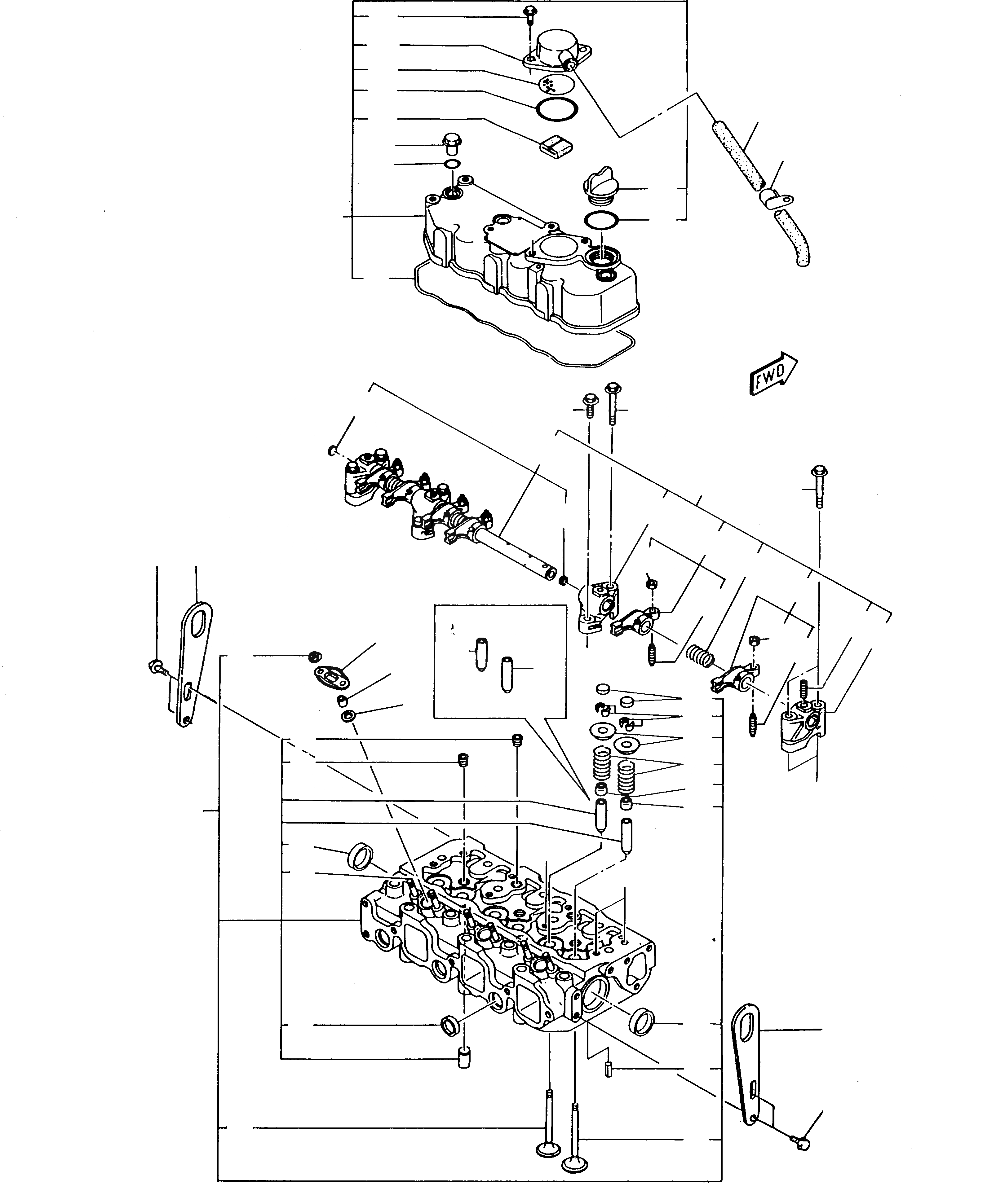
Запчасти Komatsu 230 ГОЛОВКА ЦИЛИНДРОВ ДВИГАТЕЛЬ

Схема запчастей Komatsu 230 - ГОЛОВКА ЦИЛИНДРОВ ДВИГАТЕЛЬ
A
A
B
B
54
50
51
53
42
52
55
41
56
46
45
47
49
28
37
38
26
22
38
24
28
29
44
43
31
25
29
32
33
36
31
23
40
32
12
34
39
20
35
17
16
7
15
8
19
18
1
11
9
11
10
43
21
44
14
13
FIT
1:1
100%

Артикул

Название

Примечание

Количество

\0

871070002

MOTOR, ASSY.

1

YMR000444

HEAD,ASSY.

7

YMR000071

PLUG

8

YMR000378

PLUG

9

YMR000421

STUD

10

YMR000435

PLUG

11

YMR000437

PLUG

12

YMR000424

NUT

13

YMR000100

VALVE, INLET

14

YMR000101

VALVE EXHAUST

15

YMR000298

SPRING, VALVE

16

YMR000299

RETAINER, SPRING

17

YMR000004

COTTER

18

YMR000065

SEAL, VALVE EXHAUST

19

YMR000085

SEAL, VALVE STEM

20

YMR000172

CAP VALVE

21

YMR000365

PEG

22

YMR000202

ROCKER SHAFT, ASSY.

23

YMR000203

SUPPORT

24

YMR000204

SUPPORT

25

YMR000169

SPRING

26

YMR000170

SHAFT

28

YMR000433

PLUG

29

YMR000451

ROCKER SHAFT

31

YMR000173

NUT

32

YMR000168

SCREW

33

YMR000423

STUD

34

YMR000020

PROTECTION, NOZZLE

35

YMR000021

SEAT, NOZZLE

36

YMR000022

RETAINER

37

YMR000404

SCREW

38

YMR000408

SCREW

39

YMR000052

GUIDE VALVE

40

YMR000174

GUIDE VALVE

41

YMR000167

RETAINER

42

YMR000347

PIPE, BREATHER

43

YMR000092

LIFTER

44

YMR000401

BOLT

45

YMR000448

HEAD COVER, ASSY.

46

YMR000078

PLUG

47

YMR000384

O-RING

49

YMR000171

GASKET

50

YMR000164

COVER, BREATHER

51

YMR000166

PROTECTION

52

YMR000165

SPLASH-GUARD

53

YMR000389

O-RING

54

YMR000402

BOLT

55

YMR000080

PLUG

56

YMR000382

O-RING

Выбрано товаров: 49