Качественные детали и логистика
Оригинальные и аналоговые запчасти с доставкой по России, Казахстану и Беларуси
©2022 PartSell ООО "Система" ИНН 2463123282 ОГРН 1212400004838
Центральный офис: г. Красноярск, Академика Киренского, д.87, пом.4
Телефон: 8 (800) 777-65-74 Email: zakaz@partsell.ru
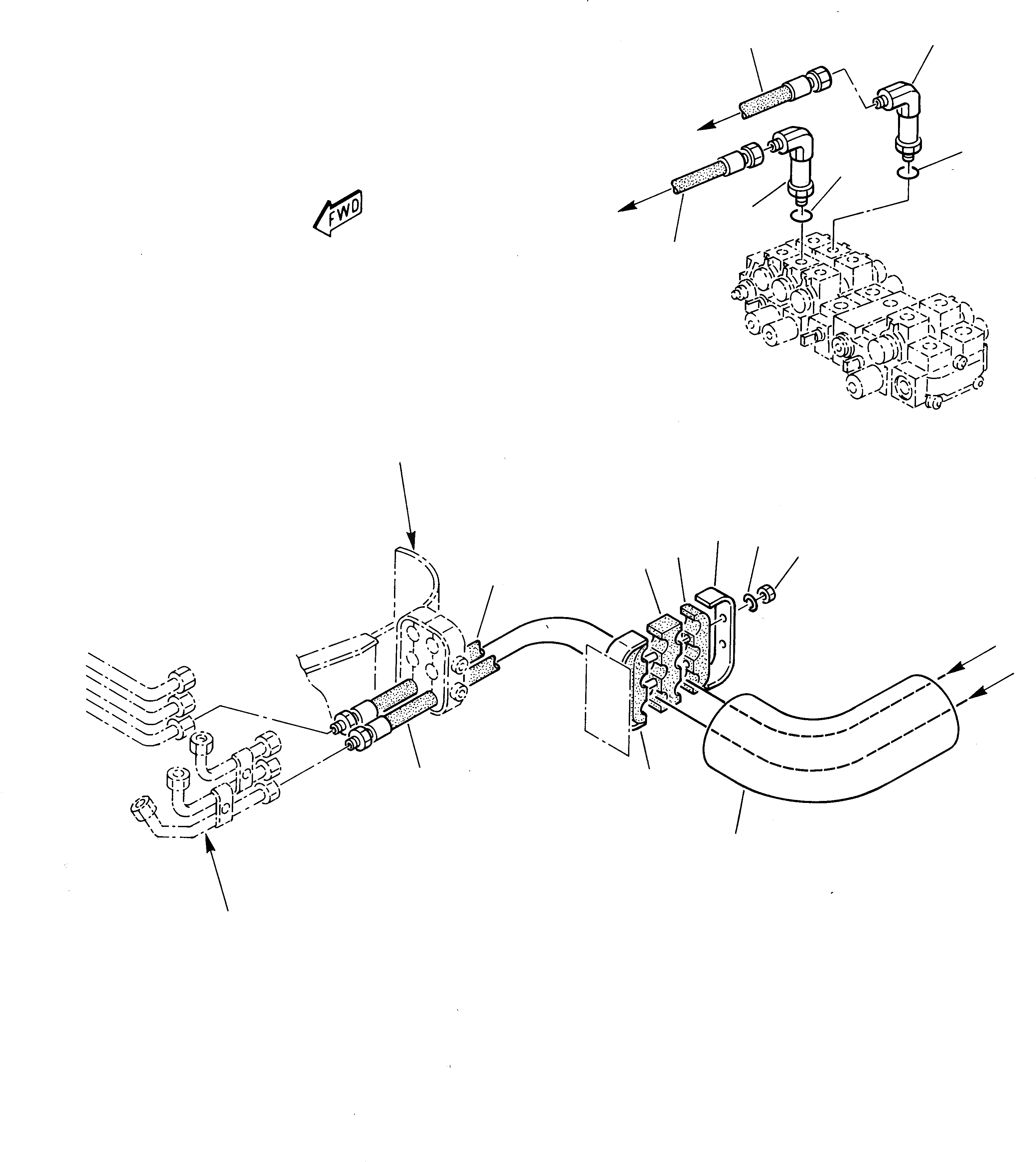
ГИДРОЛИНИЯ (ЦИЛИНДР СТРЕЛЫ)
№
Артикул
Название
Примечание
Количество
1
500368269
ELBOW
2
855670004
O-RING
3
852951176
HOSE
4
852951009
PROTECTION, PIPE
5
500411448
RUBBER
6
500411449
7
500158993
CLAMP
8
801920104
NUT
9
802150508
SPRING WASHER
|A
SEE FIG. 8060
Выбрано товаров: 0