Запчасти Komatsu 235 ГИДРОЛИНИЯ (ЦИЛИНДР КОВША) РАБОЧЕЕ ОБОРУДОВАНИЕ

Схема запчастей Komatsu 235 - ГИДРОЛИНИЯ (ЦИЛИНДР КОВША) РАБОЧЕЕ ОБОРУДОВАНИЕ
3
5
4
2
1
5
5
5
a
a
b
b
A
A
B
3
5
4
2
1
5
5
5
a
a
b
b
A
A
B
FIT
1:1
100%

Артикул

Название

Примечание

Количество

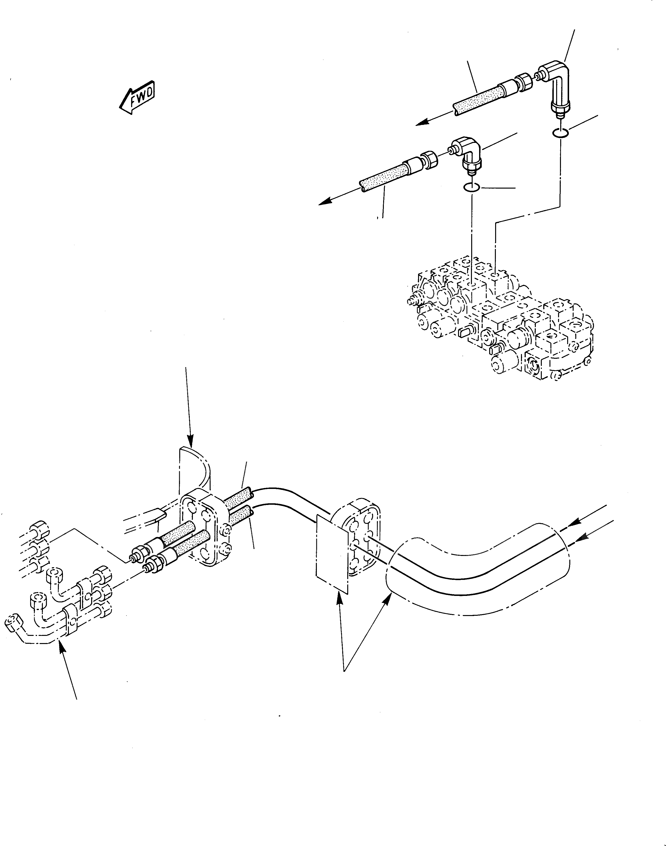
1

500353508

ELBOW

2

855670004

O-RING

3

500368275

ELBOW

4

855670004

O-RING

5

852951176

HOSE

|A

SEE FIG. 8060

|B

SEE FIG. 7250

1

500353508

ELBOW

2

855670004

O-RING

3

500368275

ELBOW

4

855670004

O-RING

5

852951176

HOSE

|A

SEE FIG. 8060

|B

SEE FIG. 7250

Выбрано товаров: 14