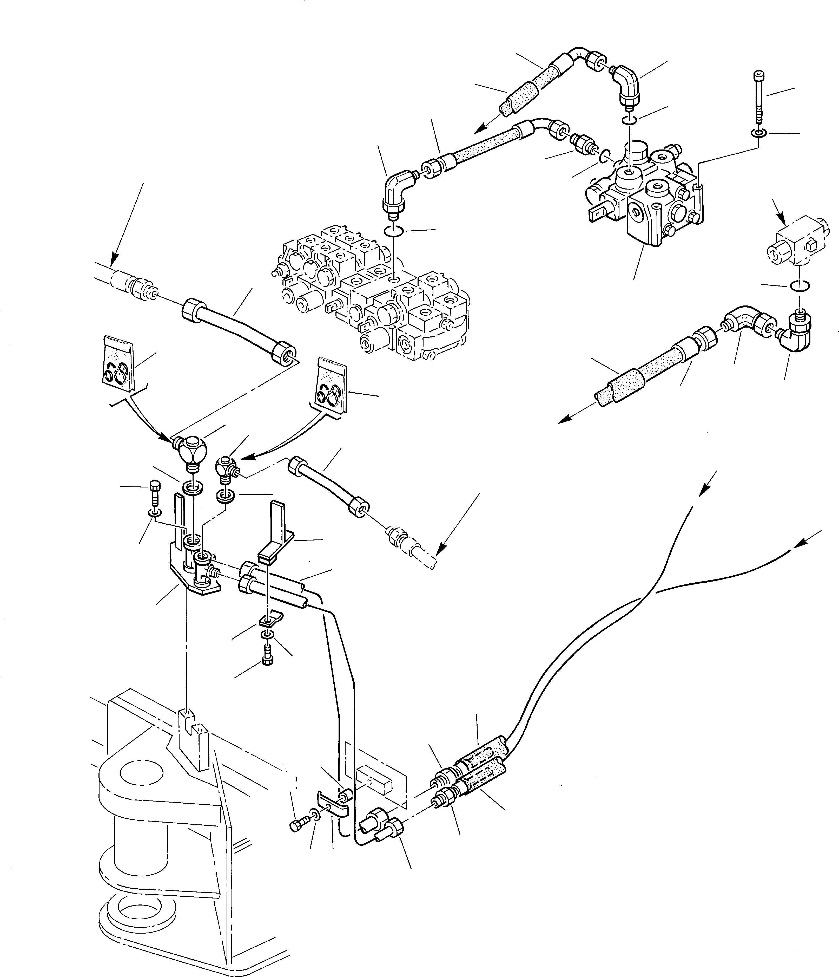
Запчасти Komatsu 235 ГИДРОЛИНИЯ (ДЛЯ НАВЕСН. ОБОРУД.) РАБОЧЕЕ ОБОРУДОВАНИЕ

Схема запчастей Komatsu 235 - ГИДРОЛИНИЯ (ДЛЯ НАВЕСН. ОБОРУД.) РАБОЧЕЕ ОБОРУДОВАНИЕ
22
A
A
B
a
a
b
11
9
12
7
10
3
8
1
4
5
2
38
14
6
37
17
15
13
16
33
36
32
34
35
29
31
24
30
19
28
25
27
26
17
16
20
12
11
21
23
18
FIT
1:1
100%

Артикул

Название

Примечание

Количество

1

500353513

ELBOW

2

855670004

O-RING

3

392058065

HOSE

4

500358022

UNION

5

855051616

O-RING

6

844010210

CONTROL VALVE, ASSY.

7

801105240

SCREW

8

802170000

WASHER

9

500368296

ELBOW

10

855051616

O-RING

11

392064024

HOSE

12

852951203

PROTECTION

13

500352104

ELBOW

14

855051119

O-RING

15

500355610

ELBOW

16

392063038

HOSE

17

852951202

PROTECTION

18

200767322

PIPE

19

200767321

PIPE

20

500256363

SPACER

21

500158829

CLAMP

22

801015558

BOLT

23

802170002

WASHER

24

200514058

STOPPER

25

500158812

FOOT

26

801015109

BOLT

27

802170002

WASHER

28

200536970

SUPPORT

29

801015135

BOLT

30

802170003

WASHER

31

855150063

GASKET

32

500369501

UNION

33

878000163

KIT, GASKET

34

200767318

PIPE

35

855150078

GASKET

36

500369502

UNION

37

878000164

KIT, GASKET

38

200767319

PIPE

|A

SEE FIG. 8220

|B

SEE FIG. 7150

Выбрано товаров: 40