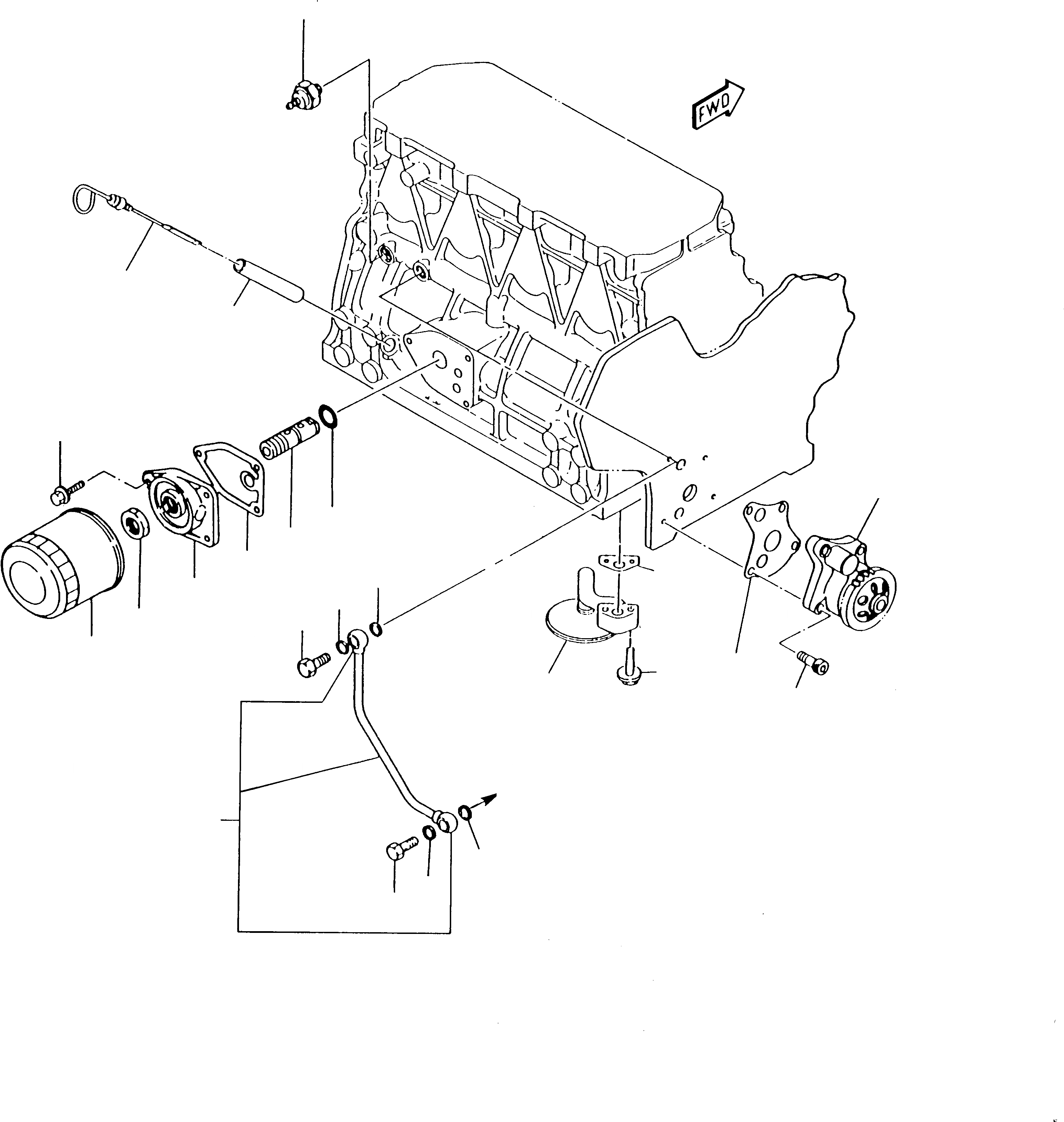
Запчасти Komatsu 245 СИСТЕМА СМАЗКИ МАСЛ. СИСТЕМА ДВИГАТЕЛЬ

Схема запчастей Komatsu 245 - СИСТЕМА СМАЗКИ МАСЛ. СИСТЕМА ДВИГАТЕЛЬ
35
14
13
34
1
33
24
22
43
15
21
43
40
32
23
11
20
16
12
36
42
42
41
FIT
1:1
100%

Артикул

Название

Примечание

Количество

1

YMR000188

OIL PUMP, ASSY.

11

YMR000189

GASKET

12

YMR000426

SCREW

13

YMR000069

GUIDE

14

YMR000149

GAUGE, OIL LEVEL

15

YMR000529

GASKET

16

YMR000542

PIPE

20

YMR000406

BOLT

21

YMR000191

SUPPORT

22

YMR000530

GASKET

23

YMR000193

FILTER

24

YMR000051

VALVE, ASSY.

32

YMR000194

NUT

33

YMR000383

O-RING

34

YMR000403

BOLT

35

YMR000473

OIL PRESSURE TRANSMITTER

36

YMR000554

PIPE

40

YMR000081

SCREW

41

YMR000089

SCREW

42

YMR000439

GASKET

43

YMR000374

GASKET

Выбрано товаров: 0