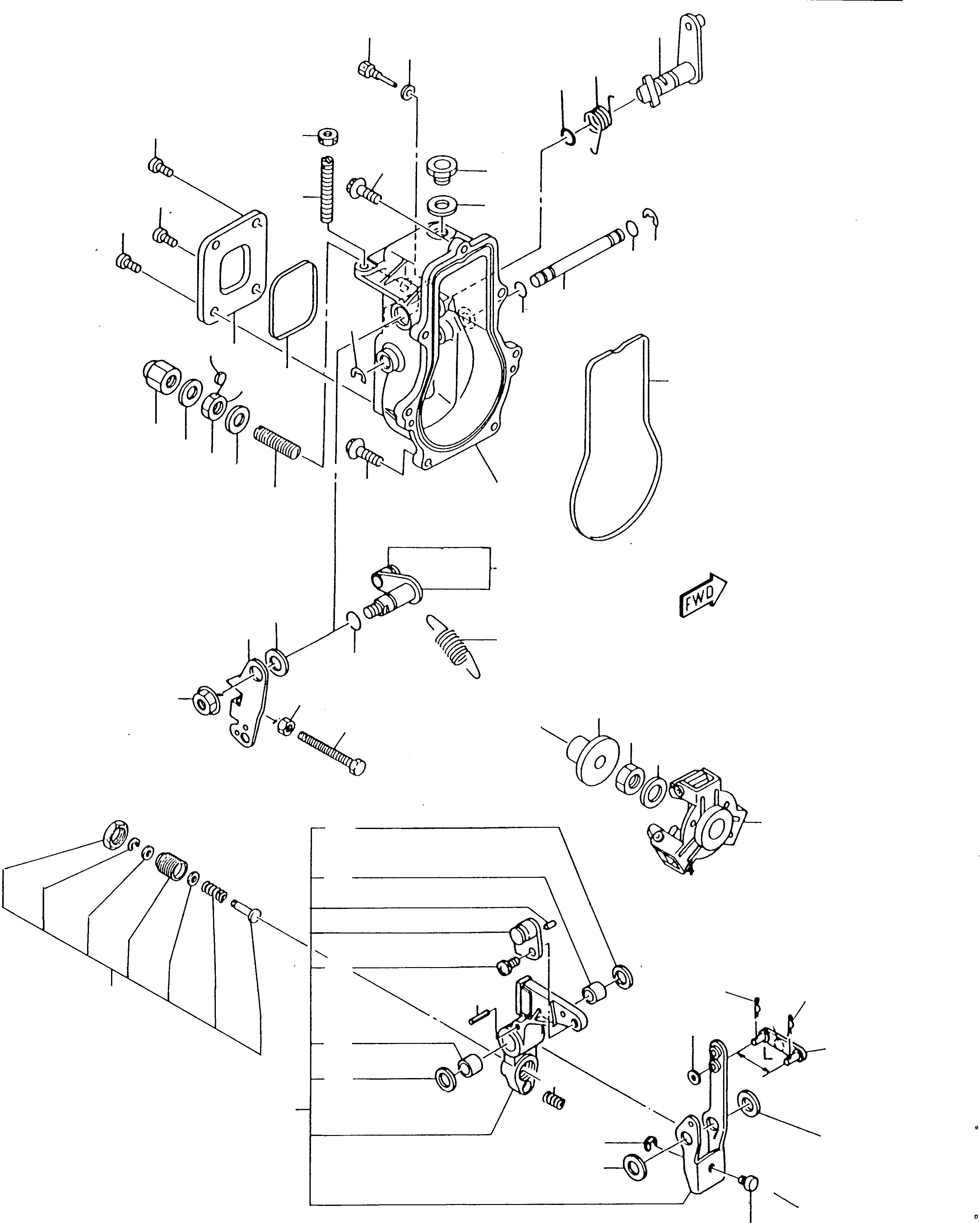
Запчасти Komatsu 245 РЕГУЛЯТОР ДВИГАТЕЛЬ

Схема запчастей Komatsu 245 - РЕГУЛЯТОР ДВИГАТЕЛЬ
40
A
A
56
64
47
57
65
66
59
50
49
58
23
59
46
59
53
3
25
53
3
6
7
5
78
62
61
62
60
4
1
18
21
22
69
48
15
16
68
67
17
63
61
54
11
27
43
56
55
70
51
8
40
9
10
45
27
26
24
52
24
44
FIT
1:1
100%

Артикул

Название

Примечание

Количество

1

YMR000488

SCREW

3

YMR000214

O-RING

4

YMR000241

HOUSING

5

YMR000242

GASKET

6

YMR000243

COVER

7

YMR000244

GASKET

8

YMR000245

LINK L=30 (0)

9

YMR000246

LINK L=31 (1)

10

YMR000247

LINK L=30.5 (0.5)

11

YMR000248

WEIGHT ASSY., GOVERNOR

15

YMR000249

SLEEVE

16

YMR000486

SLEEVE

17

YMR000487

SLEEVE

18

YMR000122

SHAFT, CONTROL

21

YMR000250

SPACER

22

YMR000123

HANDLE

23

YMR000251

BOLT, REVOL. LIMIT

24

YMR000253

SPACER

25

YMR000254

SHAFT

26

YMR000287

GOVERNOR LEVER, ASSY.

27

YMR000352

KIT, SHIM

40

YMR000255

BUSHING

43

YMR000571

SCREW

44

YMR000256

SHIFTER

45

YMR000125

SPRING

46

YMR000440

GASKET

47

YMR000257

PIN

48

YMR000258

O-RING

49

YMR000259

SCREW

50

YMR000090

NUT

51

YMR000354

WASHER

52

YMR000359

RING, SNAP

53

YMR000360

RING, SNAP

54

YMR000361

WASHER

55

YMR000362

PIN

56

YMR000366

PIN, SNAP

57

YMR000438

GASKET

58

YMR000380

PLUG

59

YMR000393

SCREW

60

YMR000397

BOLT

61

YMR000431

NUT

62

YMR000441

GASKET

63

YMR000252

BOLT, IDLE LIMIT

64

YMR000278

LEVER, STOP

65

YMR000126

SPRING

66

YMR000385

O-RING

67

YMR000425

NUT

68

YMR000430

NUT

69

YMR000489

SPRING

70

YMR000567

ANGLEICH ASSY.

78

YMR000427

CAP NUT

Выбрано товаров: 0