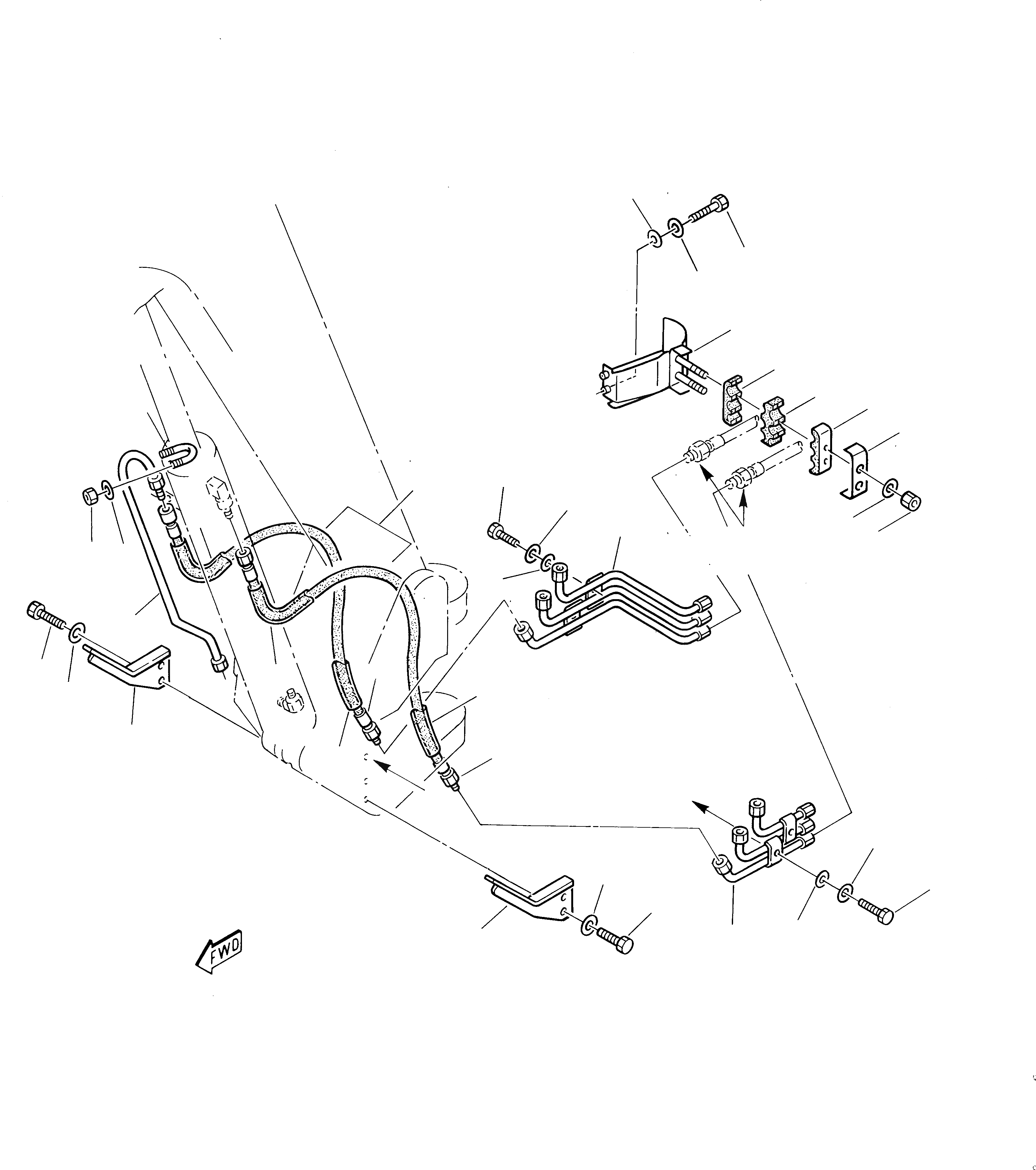
Запчасти Komatsu 245 ГИДРОЛИНИЯ (ЦИЛИНДР СТРЕЛЫ) РАБОЧЕЕ ОБОРУДОВАНИЕ

Схема запчастей Komatsu 245 - ГИДРОЛИНИЯ (ЦИЛИНДР СТРЕЛЫ) РАБОЧЕЕ ОБОРУДОВАНИЕ
a
a
A
14
17
13
16
18
19
18
4
20
12
1
13
2
22
11
21
5
6
14
1
8
2
2
9
7
1
2
13
9
12
8
14
15
10
3
FIT
1:1
100%

Артикул

Название

Примечание

Количество

1

392063044

HOSE

2

3K40A0600

PROTECTION (ONLY TBG VERSION)

3

3K4087053

PIPE

4

3K4087608

CLAMP

5

801852408

NUT

6

802170001

WASHER

7

3K4096051

PROTECTION, R.H.

8

801015582

BOLT

9

802170003

WASHER

10

3K4096050

PROTECTION, L.H.

11

3K4098052

TUBE

12

801015545

BOLT

13

802150508

SPRING WASHER

14

802170001

WASHER

15

3K4098051

TUBE

16

3K4098050

SUPPORT

17

801015544

BOLT

18

3K4035686

RUBBER

19

3K4035687

RUBBER

20

3K4035661

CLAMP

21

801920104

NUT

22

802150508

SPRING WASHER

|A

SEE FIG. 7250

Выбрано товаров: 23