Запчасти Komatsu 245 ВОЗД. ВСАСЫВ. - PIPE, ВЫПУСКН. КОМПОНЕНТЫ ДВИГАТЕЛЯ И ЭЛЕКТРИКА

Схема запчастей Komatsu 245 - ВОЗД. ВСАСЫВ. - PIPE, ВЫПУСКН. КОМПОНЕНТЫ ДВИГАТЕЛЯ И ЭЛЕКТРИКА
a
a
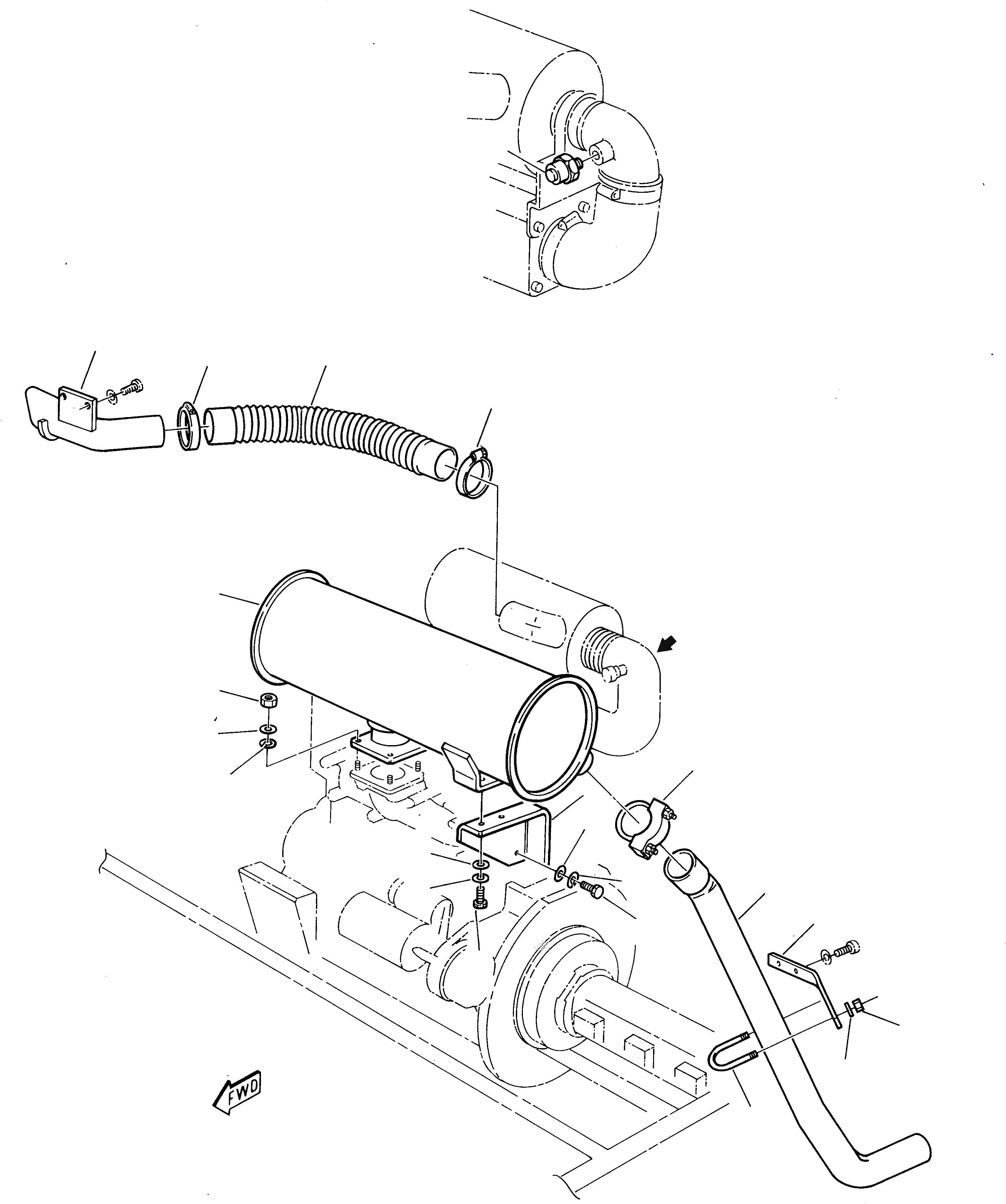
4
1
2
3
3
5
6
7
12
8
9
8
8
7
11
7
10
14
10
6
8
13
FIT
1:1
100%

Артикул

Название

Примечание

Количество

1

3K4002050

PIPE

2

852950028

PIPE, SUCTION

3

802660176

HOSE-CLAMP

4

848200025

CLOGGING INDICATOR

5

876001017

MUFFLER

6

801920104

NUT

7

802150508

SPRING WASHER

8

802170001

WASHER

9

3K4003050

MUFFLER SUPPORT

10

801015086

BOLT

11

3K4003600

PIPE

12

802670050

HOSE-CLAMP

13

3K4003603

CLAMP

14

3K4003051

SUPPORT

Выбрано товаров: 14