Запчасти Komatsu HB205-1 МЕХАНИЗМ ПОВОРОТА И МОТОР, МОТОР ДРЕНАЖН. (№-) МЕХАНИЗМ ПОВОРОТА И МОТОР

Схема запчастей Komatsu HB205-1 - МЕХАНИЗМ ПОВОРОТА И МОТОР, МОТОР ДРЕНАЖН. (№-) МЕХАНИЗМ ПОВОРОТА И МОТОР
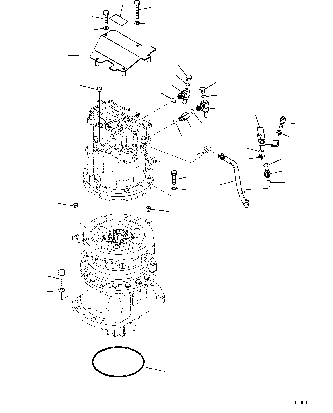
23
24
22
1
5
3
4
6
7
26
25
2
16
15
17
18
20
19
18
17
20
19
8
12
10
12
11
9
21
27
27
13
14
FIT
1:1
100%

Артикул

Название

Примечание

Количество

1

416-18-43771

Hose

2

205-26-42130

Block

3

02781-00422

Union

4

07002-12034

O-ring

5

02896-11012

O-ring

6

07040-11409

Plug

7

07002-11423

O-ring

8

205-26-31210

Cover

9

7875-22-1720

Plate

10

01016-50860

Bolt

11

01016-50890

Bolt

12

01643-30823

Washer

13

01010-81470

Bolt

14

01643-31445

Washer, Flat

15

124-49-51430

Joint

16

07002-12034

O-ring

17

7875-13-3551

Elbow

18

07002-12034

O-ring

19

07040-11812

Plug

20

07002-12034

O-ring

21

07049-00811

Plug

22

07000-15240

O-ring

23

01010-82060

Bolt

24

01643-32060

Washer

25

01010-81255

Bolt

26

01643-31232

Washer

27

07049-01620

Plug

Выбрано товаров: 27