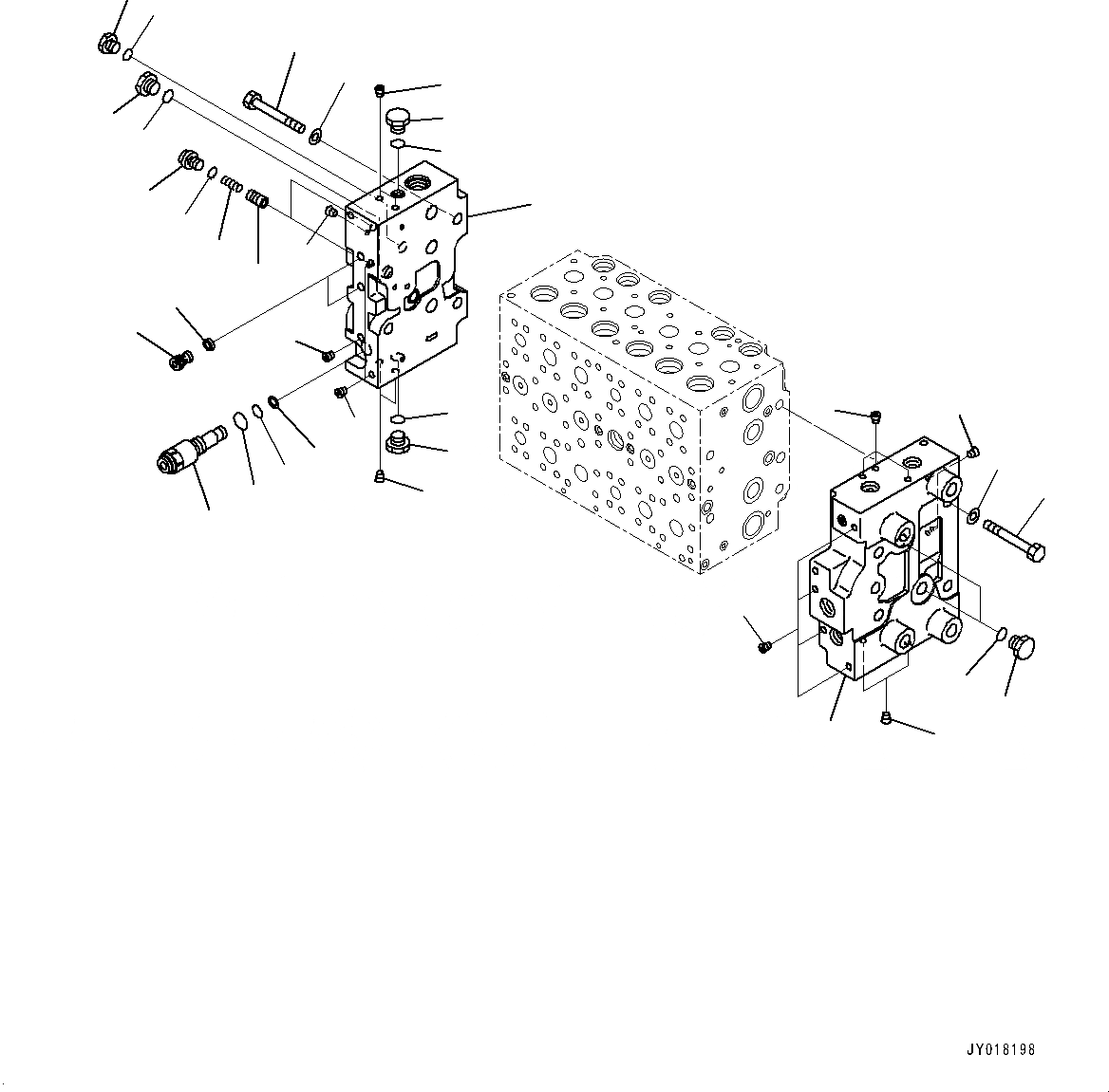
Запчасти Komatsu HB205-1 УПРАВЛЯЮЩ. КЛАПАН, 5-СЕКЦИОНН. (7/7) (№-7) УПРАВЛЯЮЩ. КЛАПАН

Схема запчастей Komatsu HB205-1 - УПРАВЛЯЮЩ. КЛАПАН, 5-СЕКЦИОНН. (7/7) (№-7) УПРАВЛЯЮЩ. КЛАПАН
1
2
3
4
5
6
7
8
9
10
11
12
13
15
14
16
17
18
19
20
21
22
6
5
7
7
2
6
6
7
21
2
2
5
5
FIT
1:1
100%

Артикул

Название

Примечание

Количество

|$0

723-46-23501

Valve Assembly

|$1

723-46-23500

Valve Assembly

|$2

723-46-00750

Cover Assembly

1

Cover

2

Plug

3

Plug

3

723-46-00790

Cover Assembly

4

Cover

5

Plug

6

708-8E-16250

Plug

7

07002-11823

O-ring

8

708-8H-11530

Plug

9

07002-11423

O-ring

10

723-46-17600

Plug Assembly

11

07002-11423

O-ring

12

07000-11007

O-ring

13

07001-01007

Ring, Back-up

14

723-40-82220

Filter

15

723-46-17550

Plug

16

723-46-15190

Valve

17

723-46-14140

Spring

18

708-8E-16160

Plug

19

07002-11023

O-ring

20

01010-61490

Bolt

21

01643-31445

Washer, Flat

22

01010-61490

Bolt

Выбрано товаров: 0