Запчасти Komatsu HB205-1 КАБИНА, ПОЛ, ШЛАНГИ ОБОГРЕВАТЕЛЯ (№-) КАБИНА, ПРАВ. И ЗАДН. ФИКС. ОКНА, AM-FM РАДИО ДЛЯ АЗИИ

Схема запчастей Komatsu HB205-1 - КАБИНА, ПОЛ, ШЛАНГИ ОБОГРЕВАТЕЛЯ (№-) КАБИНА, ПРАВ. И ЗАДН. ФИКС. ОКНА, AM-FM РАДИО ДЛЯ АЗИИ
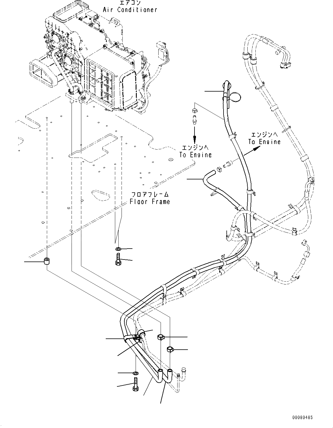
1
2
6
8
4
3
11
10
1
3
7
9
5
12
FIT
1:1
100%

Артикул

Название

Примечание

Количество

1

205-810-1210

Hose Assembly

2

09479-02400

Clip

3

205-810-1220

Hose Assembly

4

09479-02400

Clip

5

04434-52110

Clip

6

04434-52511

Clip

7

195-33-11220

Spacer

8

01010-81045

Bolt

9

01643-31032

Washer

10

01010-81016

Bolt

11

01643-31032

Washer

12

141-06-11220

Clip

Выбрано товаров: 12