Запчасти Komatsu HB205-1 КОМПОНЕНТЫ ДВИГАТЕЛЯ, МОТОР КОМПОНЕНТЫ (/) (№7-97) КОМПОНЕНТЫ ДВИГАТЕЛЯ, С AMP. ГЕНЕРАТОР, .KW СТАРТЕР, ДЛЯ СТРАН ЕС БЕЗОПАСН. REGULATION

Схема запчастей Komatsu HB205-1 - КОМПОНЕНТЫ ДВИГАТЕЛЯ, МОТОР КОМПОНЕНТЫ (/) (№7-97) КОМПОНЕНТЫ ДВИГАТЕЛЯ, С AMP. ГЕНЕРАТОР, .KW СТАРТЕР, ДЛЯ СТРАН ЕС БЕЗОПАСН. REGULATION
6
7
8
11
6
7
2
3
3
2
10
9
11
1
4
5
12
13
14
15
16
17
12
13
16
16
16
FIT
1:1
100%

Артикул

Название

Примечание

Количество

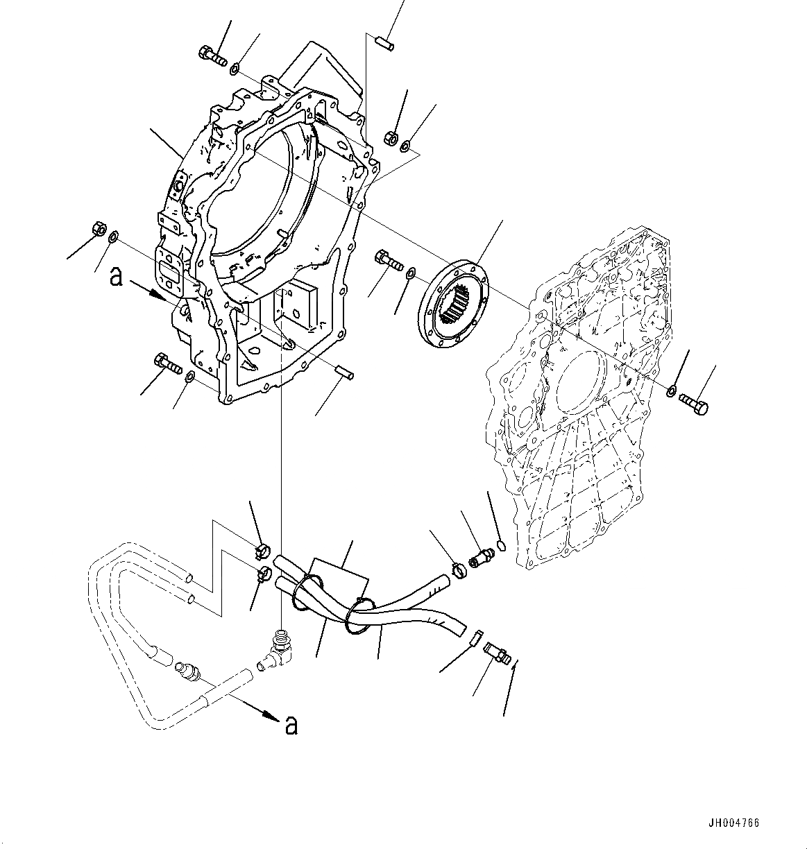
1

7875-12-5001

Motor Assembly

1

7875-12-5000

Motor Assembly

2

01010-81240

Bolt

3

01643-31232

Washer

4

01010-81245

Bolt

5

01643-31232

Washer

6

01580-01210

Nut

7

01643-31232

Washer

8

7875-10-8500

Coupling

9

01010-81040

Bolt

10

01643-31032

Washer

11

04020-01228

Pin, Dowel

12

7875-10-9581

Joint

13

07002-61823

O-ring

14

7875-12-1040

Hose

15

7875-12-1030

Hose

16

205-03-35621

Clip

17

08034-20536

Band

Выбрано товаров: 18