Запчасти Komatsu HB205-1 КАБИНА, ВНУТР. ЧАСТИ, КЛАПАН PPCДЛЯ ХОД (/) (№-) КАБИНА, ПРАВ. И ЗАДН. ФИКС. ОКНА, AM-FM РАДИО ДЛЯ АЗИИ, БЕЗ KOMTRAX

Схема запчастей Komatsu HB205-1 - КАБИНА, ВНУТР. ЧАСТИ, КЛАПАН PPCДЛЯ ХОД (/) (№-) КАБИНА, ПРАВ. И ЗАДН. ФИКС. ОКНА, AM-FM РАДИО ДЛЯ АЗИИ, БЕЗ KOMTRAX
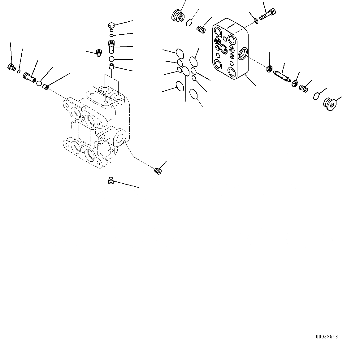
1
7
3
6
4
5
4
6
5
7
3
2
8
9
10
11
12
13
14
15
16
17
18
20
19
13
12
14
11
15
16
17
15
15
FIT
1:1
100%

Артикул

Название

Примечание

Количество

|$0

702-16-04250

Valve, Pilot

1

Plug

2

Plug

3

07040-11209

Plug

4

07002-11223

O-ring

5

Ball

6

702-16-55940

Plug

7

702-16-55950

Seat

8

Plug

9

Body

10

Spool

11

702-16-57440

Retainer

12

702-16-57450

Spring

13

723-11-15110

Plug

14

07002-11623

O-ring

15

07000-12015

O-ring

16

07000-11010

O-ring

17

07000-11007

O-ring

18

700-22-11410

O-ring

19

01252-60835

Bolt, Hexagon Socket Head

20

01643-50823

Washer

Выбрано товаров: 21