Запчасти Komatsu HB205-1 КАБИНА, ПОЛ, ПРОВОДКА (№-) КАБИНА, ЗАЩИТА ОТ ВАНДАЛИЗМА, -ДОПОЛН. АКТУАТОР ТРУБЫ, АККУМУЛЯТОР, AM-FM РАДИО ДЛЯ АЗИИ, ДЛЯ АВСТРАЛИИ

Схема запчастей Komatsu HB205-1 - КАБИНА, ПОЛ, ПРОВОДКА (№-) КАБИНА, ЗАЩИТА ОТ ВАНДАЛИЗМА, -ДОПОЛН. АКТУАТОР ТРУБЫ, АККУМУЛЯТОР, AM-FM РАДИО ДЛЯ АЗИИ, ДЛЯ АВСТРАЛИИ
2
14
1
24
26
25
26
26
26
26
26
26
9
12
10
11
13
9
10
4
6
4
5
4
5
4
5
4
6
3
22
17
14
21
23
8
15
24
7
1
20
22
18
19
16
FIT
1:1
100%

Артикул

Название

Примечание

Количество

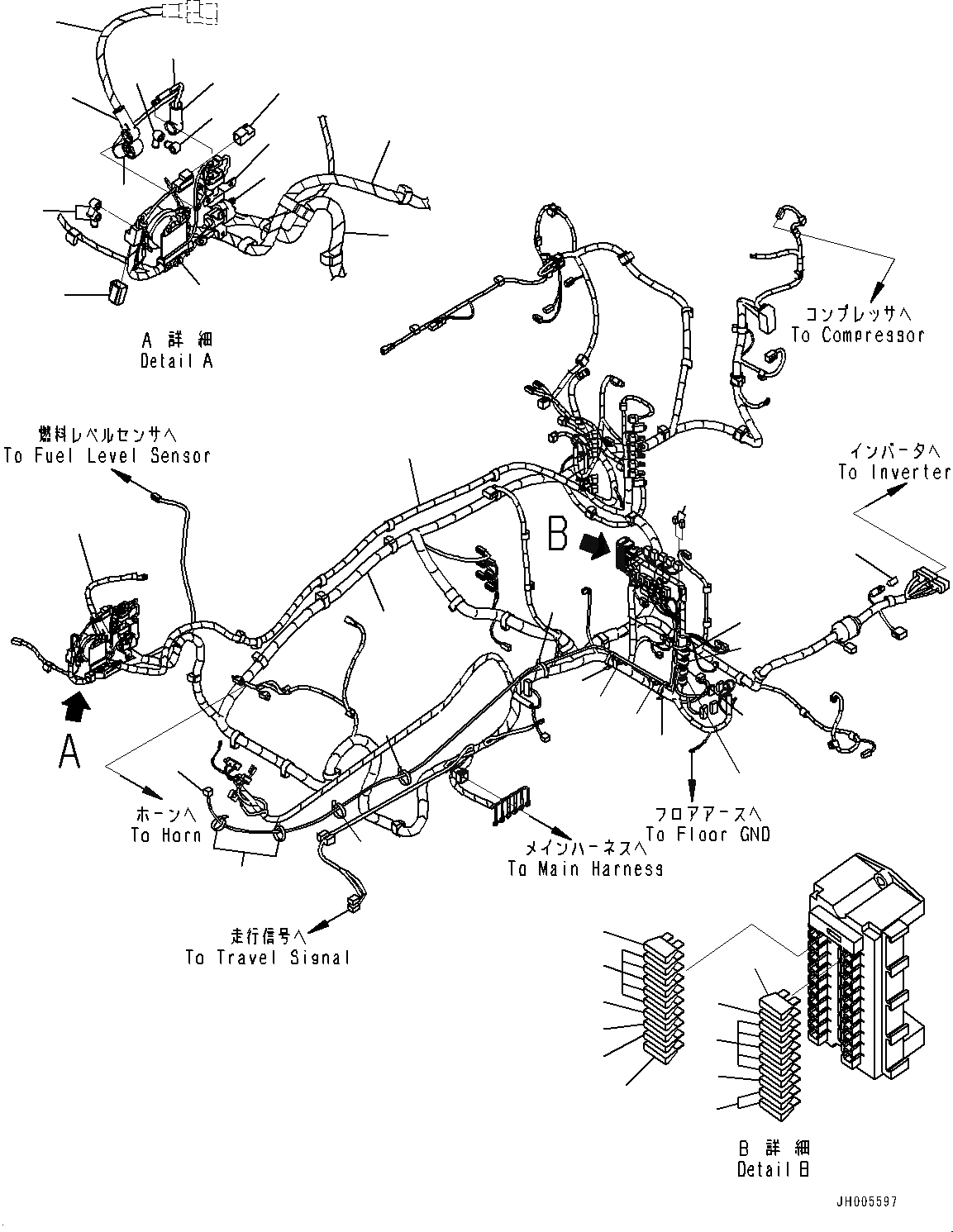
1

205-06-32172

Wiring Harness

1

205-06-32171

Wiring Harness

1

205-06-32170

Wiring Harness

2

08020-20000

Diode

3

08041-00500

Fuse, 5Amp.

4

08041-01000

Fuse, 10Amp.

5

08041-02000

Fuse, 20Amp.

6

08041-03000

Fuse, 30Amp.

7

20Y-06-31660

Fusible Link, 30Amp.

8

22U-06-11270

Fusible Link, 65Amp.

9

HM6400-0012

F-Connector, Black

9

HM6400-0071

M-Connector, Black

10

HM6400-0013

F-Connector, Green

10

HM6400-0072

M-Connector, Green

11

HM6440-0129

F-Connector, Pink

11

HM6440-0128

M-Connector, Pink

12

HM6400-0016

F-Connector, Orange

12

HM6409-0075

M-Connector, Orange

13

19M-06-31720

Resistor

14

205-06-32551

Cable

15

08038-00035

Cap, Terminal

16

20Y-06-22872

Cable

17

08038-06031

Cap

18

08088-30000

Switch, Battery Relay

19

08038-00519

Cap, Terminal

20

08038-06031

Cap

21

600-815-2170

Switch, Heater

22

08038-00519

Cap, Terminal

23

600-815-8941

Relay

24

08028-CC065

Cable, Battery

25

20Y-06-41561

Wiring Harness

26

08034-20536

Band

Выбрано товаров: 32