Запчасти Komatsu HB205-1M0 ЗВУК. СИГНАЛ. (№-) ЗВУК. СИГНАЛ.

Схема запчастей Komatsu HB205-1M0 - ЗВУК. СИГНАЛ. (№-) ЗВУК. СИГНАЛ.
2
1
5
4
3
4
3
6
FIT
1:1
100%

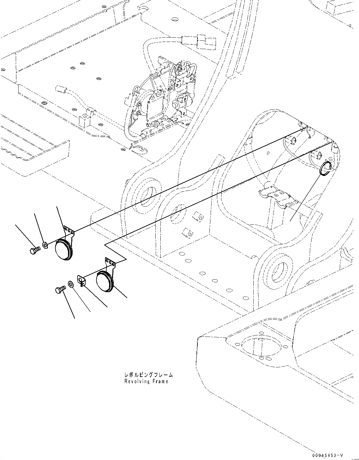
Артикул

Название

Примечание

Количество

1

08160-72400

Horn

2

08160-72420

Horn

3

01010-80825

Bolt

4

01643-30823

Washer

5

08057-12008

Clip

6

08034-20414

Band

Выбрано товаров: 6