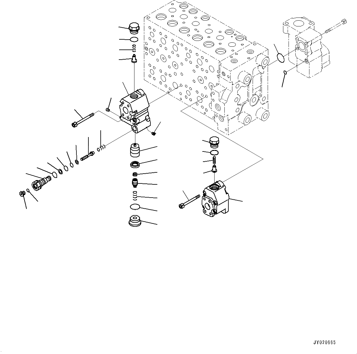
Запчасти Komatsu HB205-1M0 УПРАВЛЯЮЩ. КЛАПАН, 5-СЕКЦИОНН. (/7) (№-) УПРАВЛЯЮЩ. КЛАПАН

Схема запчастей Komatsu HB205-1M0 - УПРАВЛЯЮЩ. КЛАПАН, 5-СЕКЦИОНН. (/7) (№-) УПРАВЛЯЮЩ. КЛАПАН
9
6
1
2
3
5
7
8
4
10
11
12
13
14
15
16
17
18
19
20
21
22
23
26
23
24
25
32
28
29
30
31
27
FIT
1:1
100%

Артикул

Название

Примечание

Количество

|$0

723-46-25500

Valve Assembly

|$1

723-40-82501

Valve Assembly

1

Body

2

Valve

3

Seal

4

723-40-82210

Plug

5

723-40-82220

Filter

6

723-40-82140

Spring

7

723-40-82150

Plug

8

07002-13334

O-ring

9

723-40-84420

Valve, Check

10

723-40-84430

Spring

11

723-40-84440

Plug

12

07000-13024

O-ring

13

Plug

14

07002-11823

O-ring

15

07000-12011

O-ring

16

07001-02011

Ring, Back-up

17

07000-11010

O-ring

18

07001-01010

Ring, Back-up

19

723-11-18190

Plug

20

07002-11023

O-ring

21

Piston

22

723-40-82290

Spring

23

Plug

24

07000-13038

O-ring

25

07000-11010

O-ring

26

01252-61075

Bolt, Hexagon Socket Head

26

723-40-84601

Valve Assembly

27

723-40-84410

Block

28

723-40-84420

Valve, Check

29

723-40-84430

Spring

30

723-40-84440

Plug

31

07000-13024

O-ring

32

01252-61070

Bolt, Hexagon Socket Head

Выбрано товаров: 0