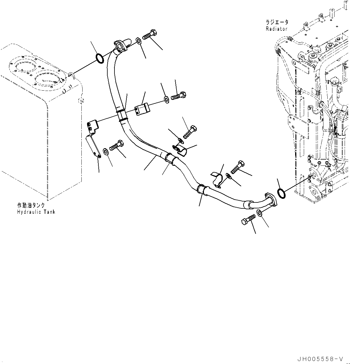
Запчасти Komatsu HB205-1M0 ЛИНИИ МАСЛООХЛАДИТЕЛЯ (№-) ЛИНИИ МАСЛООХЛАДИТЕЛЯ, С ЗАПРАВОЧН.LING НАСОС

Схема запчастей Komatsu HB205-1M0 - ЛИНИИ МАСЛООХЛАДИТЕЛЯ (№-) ЛИНИИ МАСЛООХЛАДИТЕЛЯ, С ЗАПРАВОЧН.LING НАСОС
2
2
3
4
5
6
7
8
7
8
12
13
16
17
10
10
9
9
1
11
15
14
FIT
1:1
100%

Артикул

Название

Примечание

Количество

1

205-62-34730

Hose Assembly

2

07000-13048

O-ring

3

01010-81240

Bolt

4

01643-31232

Washer

5

01010-81235

Bolt

6

01643-31232

Washer

7

01010-81225

Bolt

8

01643-31232

Washer

9

07095-01245

Cushion

10

22U-62-21551

Clamp

11

205-62-34570

Bracket

12

01010-81235

Bolt

13

01643-31232

Washer

14

07095-01245

Cushion

15

22U-62-21551

Clamp

16

01010-81225

Bolt

17

01643-31232

Washer

Выбрано товаров: 17