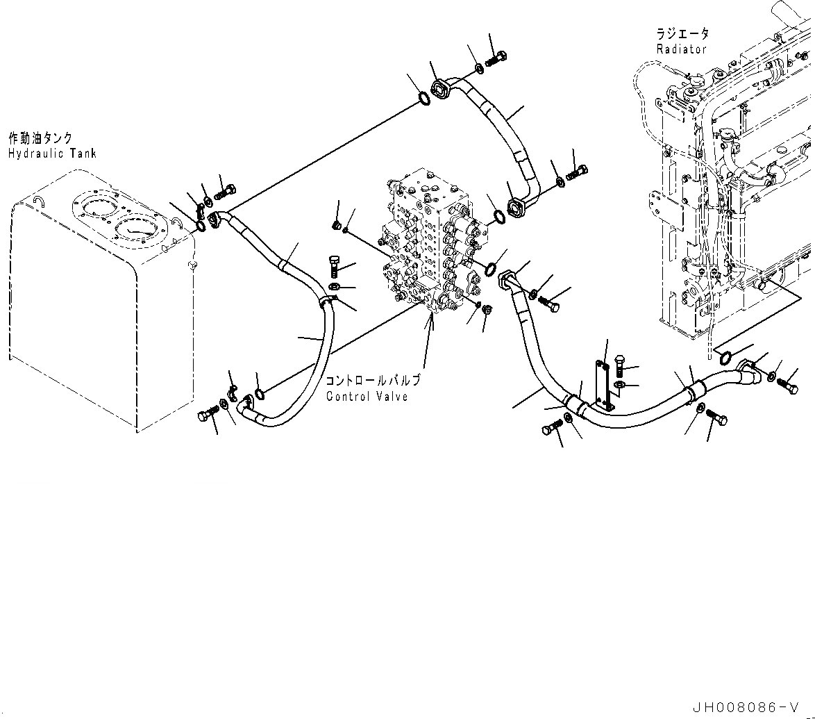
Запчасти Komatsu HB205-1M0 ВОЗВРАТ. ТРУБЫ (№-) ВОЗВРАТ. ТРУБЫ, -ДОПОЛН. АКТУАТОР ТРУБЫ, АККУМУЛЯТОР

Схема запчастей Komatsu HB205-1M0 - ВОЗВРАТ. ТРУБЫ (№-) ВОЗВРАТ. ТРУБЫ, -ДОПОЛН. АКТУАТОР ТРУБЫ, АККУМУЛЯТОР
12
12
14
18
18
17
24
26
26
29
29
30
31
27
28
27
28
20
21
22
23
9
10
9
10
15
16
6
7
3
3
13
13
19
19
25
25
2
2
1
8
11
11
8
4
5
FIT
1:1
100%

Артикул

Название

Примечание

Количество

1

205-62-35151

Hose Assembly

2

Flange

3

07000-13048

O-ring

4

01010-81240

Bolt

5

01643-31232

Washer

6

01010-81240

Bolt

7

01643-31232

Washer

8

22U-62-21551

Clamp

9

01010-81225

Bolt

10

01643-31232

Washer

11

07095-01245

Cushion

12

07040-12412

Plug

13

07002-12434

O-ring

14

205-62-35160

Bracket

15

01010-81235

Bolt

16

01643-31232

Washer

17

20Y-62-54110

Hose

18

Flange

19

07000-13048

O-ring

20

01010-81240

Bolt

21

01643-31232

Washer

22

01010-81235

Bolt

23

01643-31232

Washer

24

20Y-62-51332

Hose

25

07000-13032

O-ring

26

07371-31049

Flange, Split

27

07372-21035

Bolt

28

01643-51032

Washer

29

281-01-13180

Clip

30

01010-81225

Bolt

31

01643-31232

Washer

Выбрано товаров: 31