Запчасти Komatsu HB205-1M0 КАБИНА, ПОЛ, ПОДЛОКОТНИК, ПРАВ. (№8-) КАБИНА, ЗАЩИТА ОТ ВАНДАЛИЗМА, МАСТЕР КЛЮЧ, KOMTRAX, GPRS, ДЛЯ АЗИИ

Схема запчастей Komatsu HB205-1M0 - КАБИНА, ПОЛ, ПОДЛОКОТНИК, ПРАВ. (№8-) КАБИНА, ЗАЩИТА ОТ ВАНДАЛИЗМА, МАСТЕР КЛЮЧ, KOMTRAX, GPRS, ДЛЯ АЗИИ
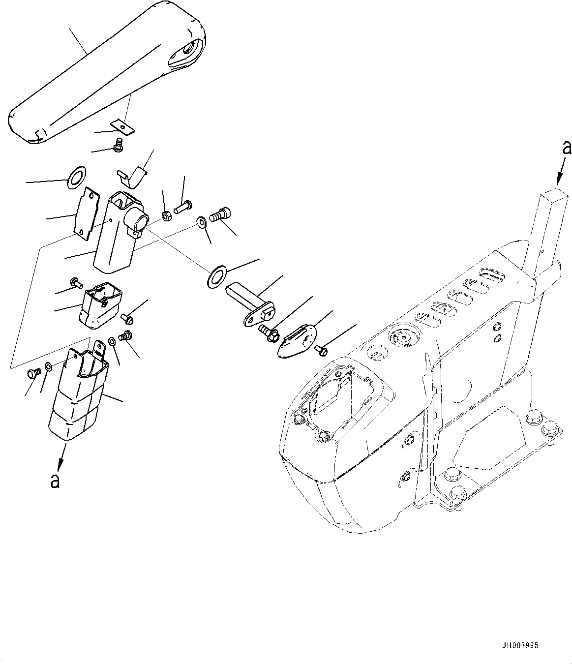
1
15
15
5
2
4
3
6
7
8
8
10
9
11
16
17
17
12
13
14
14
18
19
20
FIT
1:1
100%

Артикул

Название

Примечание

Количество

1

20Y-43-41343

Armrest

2

20Y-43-41533

Bracket

3

01252-80820

Bolt

4

01643-70823

Washer

5

20Y-43-41850

Pin

6

01435-40816

Bolt

7

20Y-43-41152

Spring

8

437-40-26240

Washer

9

01245-00620

Screw

10

01580-40605

Nut

11

20Y-43-41181

Cap

12

01023-20512

Screw

13

20Y-43-41191

Cover

14

01370-40510

Screw

15

01640-50508

Washer

16

20Y-43-41591

Cover

17

01023-20512

Screw

18

20Y-43-41281

Rubber

19

20Y-43-41461

Plate

20

01370-40610

Screw

Выбрано товаров: 20