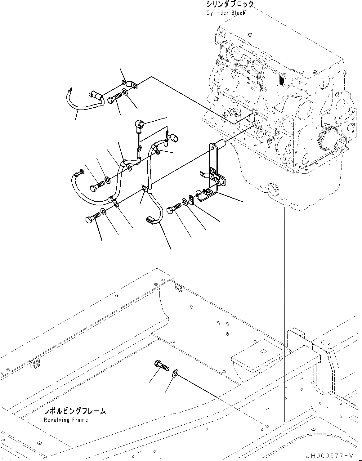
Запчасти Komatsu HB205-1M0 ЭЛЕКТРИЧ. ПРОВОДКА, ДВИГАТЕЛЬ КОРПУС (№-) ЭЛЕКТРИЧ. ПРОВОДКА

Схема запчастей Komatsu HB205-1M0 - ЭЛЕКТРИЧ. ПРОВОДКА, ДВИГАТЕЛЬ КОРПУС (№-) ЭЛЕКТРИЧ. ПРОВОДКА
20
21
4
5
6
7
17
18
3
1
2
13
14
16
9
10
11
8
12
15
19
FIT
1:1
100%

Артикул

Название

Примечание

Количество

1

205-06-32511

Cable

2

205-06-32521

Wiring Harness

3

08038-12027

Cap, Terminal

4

205-06-32461

Bracket

5

04434-51012

Clip

6

04434-51412

Clip

7

01010-81280

Bolt

8

01643-31232

Washer

9

04434-51010

Clip

10

04434-51410

Clip

11

01010-81020

Bolt

12

01643-31032

Washer

13

362-43-18780

Clip

14

01010-81225

Bolt

15

01643-31232

Washer

16

20Y-06-31631

Cable

17

08193-21012

Clip

18

01010-81225

Bolt

19

01643-31232

Washer

20

01010-81220

Bolt

21

01643-31232

Washer

Выбрано товаров: 21