Запчасти Komatsu HB215LC-1 КОМПОНЕНТЫ ДВИГАТЕЛЯ, МОТОР КОМПОНЕНТЫ (№98-) КОМПОНЕНТЫ ДВИГАТЕЛЯ

Схема запчастей Komatsu HB215LC-1 - КОМПОНЕНТЫ ДВИГАТЕЛЯ, МОТОР КОМПОНЕНТЫ (№98-) КОМПОНЕНТЫ ДВИГАТЕЛЯ
5
6
7
10
5
6
1
2
2
1
9
8
10
3
4
11
12
13
14
15
16
11
12
15
15
15
FIT
1:1
100%

Артикул

Название

Примечание

Количество

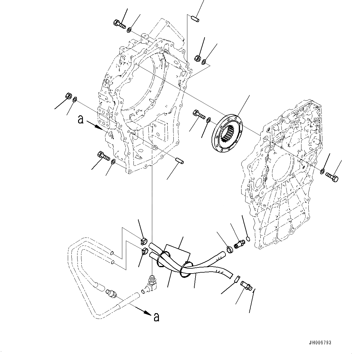
1

01010-81240

Bolt

2

01643-31232

Washer

3

01010-81245

Bolt

4

01643-31232

Washer

5

01580-01210

Nut

6

01643-31232

Washer

7

7875-10-8500

Coupling

8

01010-81040

Bolt

9

01643-31032

Washer

10

04020-01228

Pin, Dowel

11

7875-10-9581

Joint

12

07002-61823

O-ring

13

7875-12-5040

Hose Assembly

13

7875-12-1040

Hose

14

7875-12-5030

Hose Assembly

14

7875-12-1030

Hose

15

205-03-35621

Clip

16

08034-20536

Band

Выбрано товаров: 0