Запчасти Komatsu HB215LC-1 КАБИНА, ПОЛ, ПРОВОДКА (№-) КАБИНА, С СИДЕНЬЕ ОПЕРАТОРА, ПОДОГРЕВED, ПРАВ. И ЗАДН. ФИКС. ОКНА, -ДОПОЛН. АКТУАТОР ТРУБЫ, АККУМУЛЯТОР, AM-FM STEREO РАДИО, CA

Схема запчастей Komatsu HB215LC-1 - КАБИНА, ПОЛ, ПРОВОДКА (№-) КАБИНА, С СИДЕНЬЕ ОПЕРАТОРА, ПОДОГРЕВED, ПРАВ. И ЗАДН. ФИКС. ОКНА, -ДОПОЛН. АКТУАТОР ТРУБЫ, АККУМУЛЯТОР, AM-FM STEREO РАДИО, CA
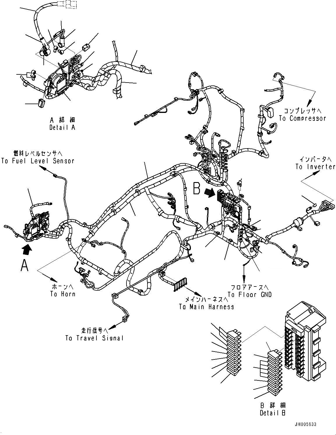
2
15
1
25
10
13
11
12
14
10
11
4
7
4
6
4
6
4
6
5
7
3
6
4
5
23
18
15
22
24
9
16
25
8
1
21
23
19
20
17
FIT
1:1
100%

Артикул

Название

Примечание

Количество

1

205-06-32192

Wiring Harness

1

205-06-32191

Wiring Harness

2

08020-20000

Diode

3

08041-00500

Fuse, 5Amp.

4

08041-01000

Fuse, 10Amp.

5

08041-01500

Fuse, 15Amp.

6

08041-02000

Fuse, 20Amp.

7

08041-03000

Fuse, 30Amp.

8

20Y-06-31660

Fusible Link, 30Amp.

9

22U-06-11270

Fusible Link, 65Amp.

10

HM6400-0012

F-Connector, Black

10

HM6400-0071

M-Connector, Black

11

HM6400-0013

F-Connector, Green

11

HM6400-0072

M-Connector, Green

12

HM6440-0129

F-Connector, Pink

12

HM6440-0128

M-Connector, Pink

13

HM6400-0016

F-Connector, Orange

13

HM6409-0075

M-Connector, Orange

14

19M-06-31720

Resistor

15

205-06-32551

Cable

16

08038-00035

Cap, Terminal

17

20Y-06-22872

Cable

18

08038-06031

Cap

19

08088-30000

Switch, Battery Relay

20

08038-00519

Cap, Terminal

21

08038-06031

Cap

22

600-815-2170

Switch, Heater

23

08038-00519

Cap, Terminal

24

600-815-8941

Relay

25

08028-CC065

Cable, Battery

Выбрано товаров: 30