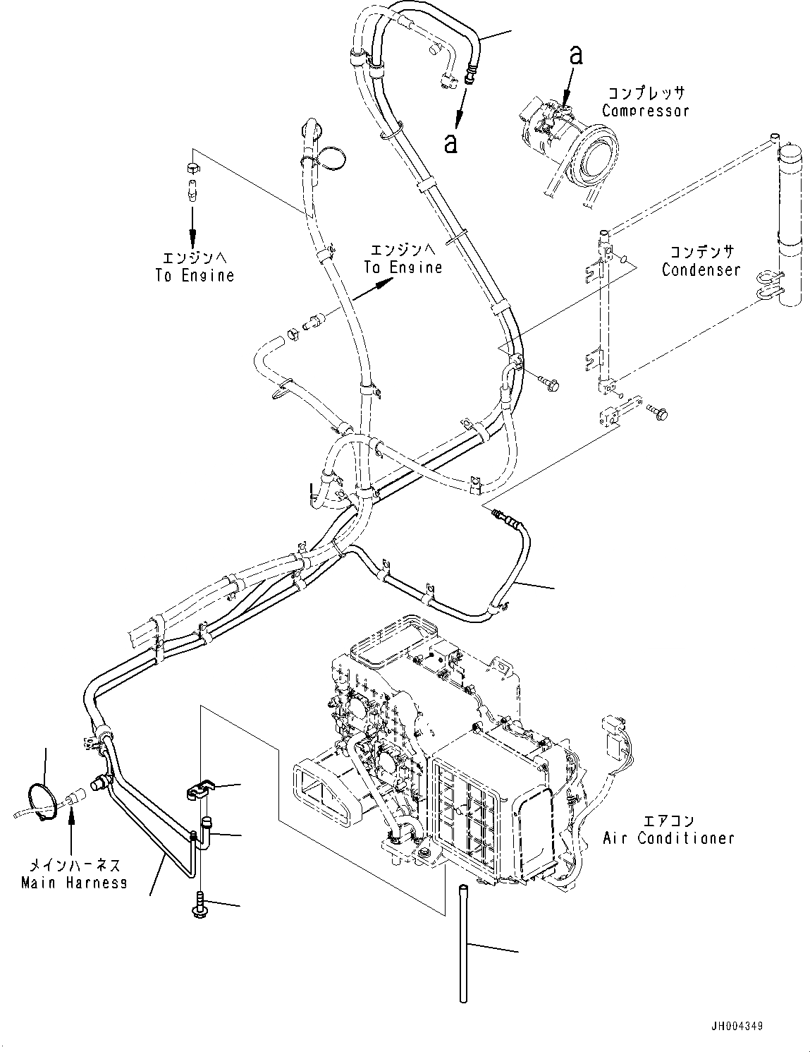
Запчасти Komatsu HB215LC-1 КАБИНА, ПОЛ, ТРУБКИ КОНДИЦИОНЕРА (№-) КАБИНА, С СИДЕНЬЕ ОПЕРАТОРА, ПОДОГРЕВED, ПРАВ. И ЗАДН. ФИКС. ОКНА, -ДОПОЛН. АКТУАТОР ТРУБЫ, АККУМУЛЯТОР, AM-FM STEREO РАДИО, CA

Схема запчастей Komatsu HB215LC-1 - КАБИНА, ПОЛ, ТРУБКИ КОНДИЦИОНЕРА (№-) КАБИНА, С СИДЕНЬЕ ОПЕРАТОРА, ПОДОГРЕВED, ПРАВ. И ЗАДН. ФИКС. ОКНА, -ДОПОЛН. АКТУАТОР ТРУБЫ, АККУМУЛЯТОР, AM-FM STEREO РАДИО, CA
1
2
5
4
3
6
3
2
FIT
1:1
100%

Артикул

Название

Примечание

Количество

1

208-979-7640

Hose

2

205-979-2220

Hose

3

205-979-2330

Hose

4

208-979-7650

Connector

5

01435-40620

Bolt

6

08034-20536

Band

Выбрано товаров: 6