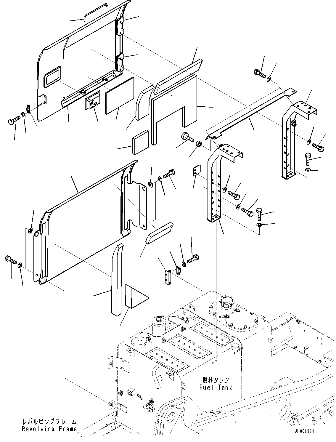
Запчасти Komatsu HB215LC-1 ДВЕРЬ ПРАВ. (№-) ДВЕРЬ ПРАВ., ЕС ARRANGEMENT

Схема запчастей Komatsu HB215LC-1 - ДВЕРЬ ПРАВ. (№-) ДВЕРЬ ПРАВ., ЕС ARRANGEMENT
16
14
15
7
13
12
8
10
9
24
23
31
32
32
31
40
37
37
19
18
17
20
22
21
1
4
3
5
2
6
26
7
11
38
39
25
27
29
28
30
33
34
35
36
41
FIT
1:1
100%

Артикул

Название

Примечание

Количество

1

20Y-54-71411

Frame

2

20Y-54-71421

Frame

3

20Y-54-71431

Plate

4

01010-81225

Bolt

5

01643-31232

Washer

6

20Y-54-71454

Cover

7

20Y-54-63414

Hinge,Welded

8

20Y-54-71491

Lock,Welded

9

01010-81225

Bolt

10

01643-31232

Washer

11

20Y-54-61470

Plate

12

01010-81225

Bolt

13

01643-31232

Washer

14

205-54-53550

Dovetail

15

01010-80612

Bolt

16

01643-30623

Washer

17

20Y-54-28170

Bracket

18

01010-81225

Bolt

19

01643-31232

Washer

20

205-54-51971

Dovetail

20

205-54-51970

Dovetail

21

01010-80616

Bolt

22

01643-30623

Washer

23

20Y-54-11611

Stopper

24

01580-11008

Nut

25

205-54-35431

Sheet

26

20Y-54-29232

Bar

27

205-54-31421

Sheet

28

205-54-31441

Sheet

29

205-54-31431

Sheet

30

205-54-35891

Sheet

31

01010-81230

Bolt

32

01643-31232

Washer

32

206-54-K3011

Cover

33

Cover

34

206-54-K3020

Sheet

35

206-54-K3040

Sheet

36

208-54-K1030

Sheet

37

208-54-57180

Collar

38

01010-81230

Bolt

39

01643-31232

Washer

40

01010-81240

Bolt

41

01643-31232

Washer

Выбрано товаров: 43