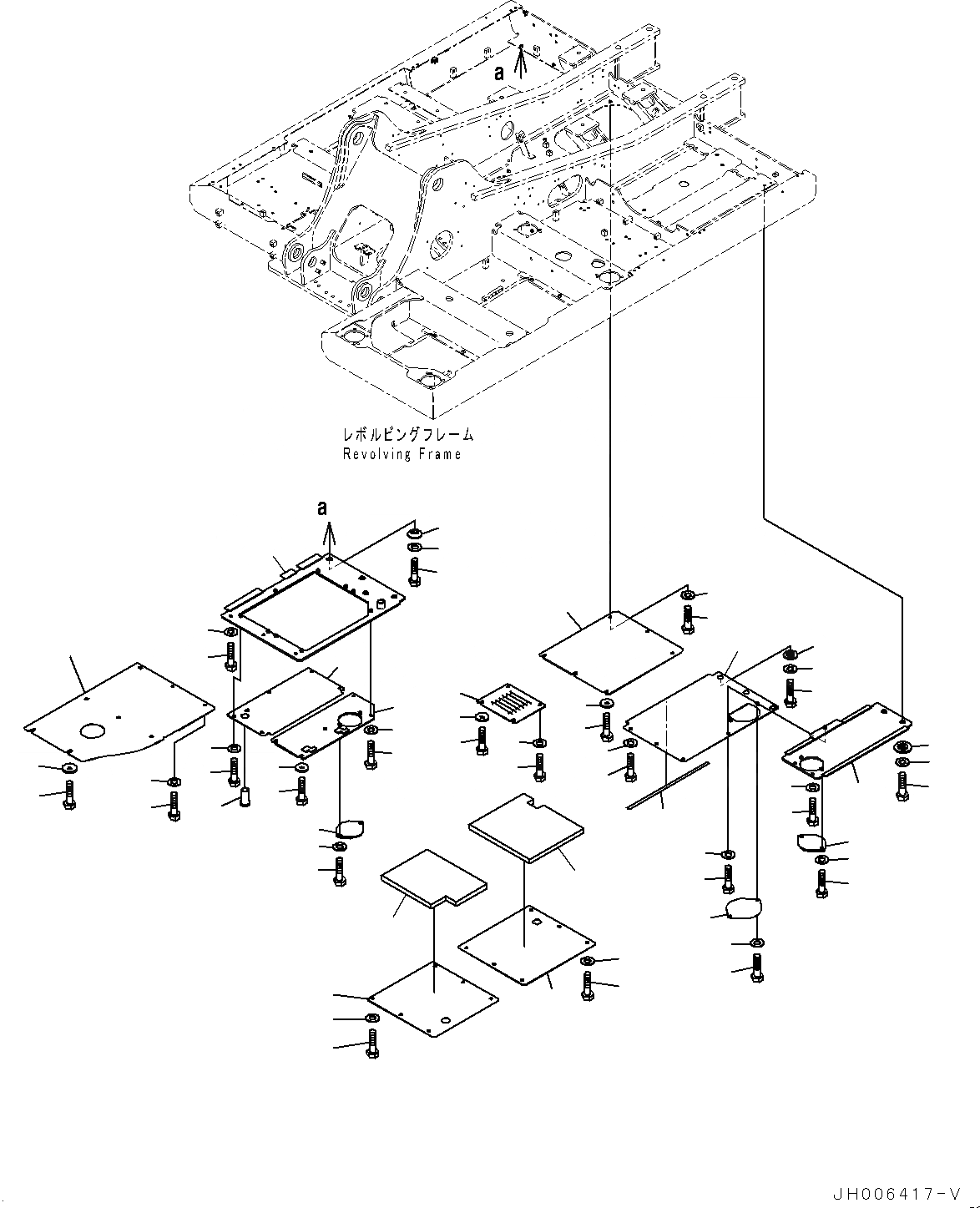
Запчасти Komatsu HB215LC-1 НИЖН. КРЫШКА, (№-) НИЖН. КРЫШКА

Схема запчастей Komatsu HB215LC-1 - НИЖН. КРЫШКА, (№-) НИЖН. КРЫШКА
14
20
23
24
25
26
27
29
31
30
34
37
39
43
50
54
1
2
7
6
3
4
9
8
17
16
15
19
18
11
13
12
21
22
32
33
32
33
35
36
38
40
41
42
44
45
46
47
48
49
51
52
53
57
58
55
56
59
60
10
5
28
FIT
1:1
100%

Артикул

Название

Примечание

Количество

|$0

205-54-31510

Cover

1

Cover

2

205-54-31470

Sheet

2

205-54-31520

Cover

3

Cover

4

205-54-31480

Sheet

5

20Y-54-71863

Cover

6

01010-81230

Bolt

7

01643-31232

Washer

8

01010-81230

Bolt

9

01643-31232

Washer

10

01010-81230

Bolt

11

175-54-34170

Washer

12

01010-81230

Bolt

13

01643-31232

Washer

14

205-54-35311

Cover

15

01010-81240

Bolt

16

01643-31232

Washer

17

20Y-973-2430

Collar

18

01010-81240

Bolt

19

01643-31232

Washer

20

205-54-32270

Cover

21

01010-81240

Bolt

22

01643-31232

Washer

|$24

205-54-35711

Cover

23

Cover

24

205-54-36520

Sheet

25

205-54-32270

Cover

26

207-54-51440

Plate

27

205-54-36421

Cover

28

205-54-36711

Cover

29

205-54-35731

Cover

30

205-54-35751

Cover

31

22U-54-24760

Grommet

32

01010-81230

Bolt

33

01643-31232

Washer

34

20Y-54-12550

Collar

35

01010-81230

Bolt

36

01643-31232

Washer

37

20Y-54-71890

Cover

38

01010-81230

Bolt

39

175-54-34170

Washer

40

01010-81230

Bolt

41

01643-31232

Washer

42

01010-81230

Bolt

43

175-54-34170

Washer

44

01010-81230

Bolt

45

01643-31232

Washer

46

01010-81240

Bolt

47

01643-31232

Washer

48

01010-81240

Bolt

49

01643-31232

Washer

50

20Y-973-2430

Collar

51

01010-81240

Bolt

52

01643-31232

Washer

53

01010-81240

Bolt

54

175-54-34170

Washer

55

01010-81230

Bolt

56

01643-31232

Washer

57

01010-81240

Bolt

58

01643-31232

Washer

59

01010-81230

Bolt

60

01643-31232

Washer

Выбрано товаров: 63