Запчасти Komatsu HB215LC-1 ЗАПРАВОЧН.LING НАСОС, НАСОС КОМПОНЕНТЫ (№-) ЗАПРАВОЧН.LING НАСОС, ЕС ARRANGEMENT

Схема запчастей Komatsu HB215LC-1 - ЗАПРАВОЧН.LING НАСОС, НАСОС КОМПОНЕНТЫ (№-) ЗАПРАВОЧН.LING НАСОС, ЕС ARRANGEMENT
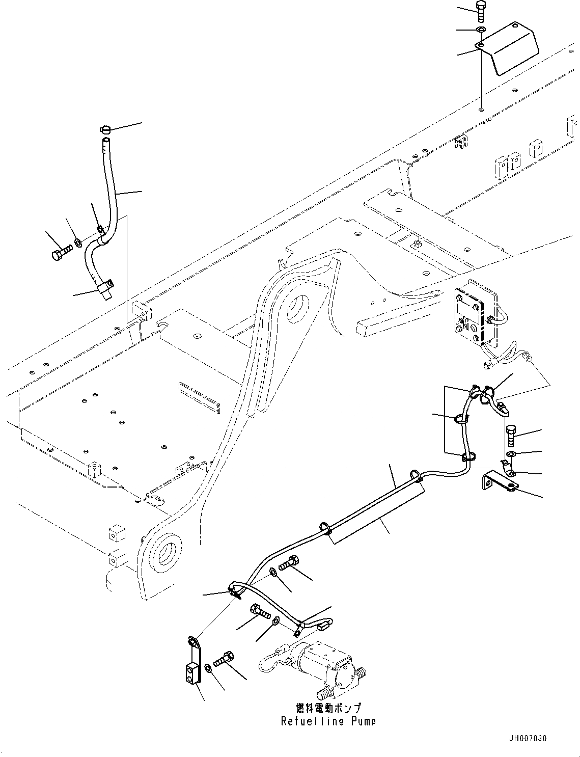
1
2
3
4
6
5
7
9
8
11
12
10
10
12
11
13
13
14
15
16
18
17
16
19
21
20
FIT
1:1
100%

Артикул

Название

Примечание

Количество

1

08034-20536

Band

2

205-06-32880

Wiring Harness

3

207-62-62770

Bracket

4

08193-21012

Clip

5

01010-81225

Bolt

6

01643-31232

Washer

7

205-06-32811

Bracket

8

01010-81255

Bolt

9

01643-31232

Washer

10

04434-51012

Clip

11

01010-81225

Bolt

12

01643-31232

Washer

13

08034-20536

Band

14

07270-21565

Tube

15

07285-00180

Clip

16

04434-51912

Clip

17

01010-81225

Bolt

18

01643-31232

Washer

19

205-04-22381

Cover

20

01010-81225

Bolt

21

01643-31232

Washer

Выбрано товаров: 0