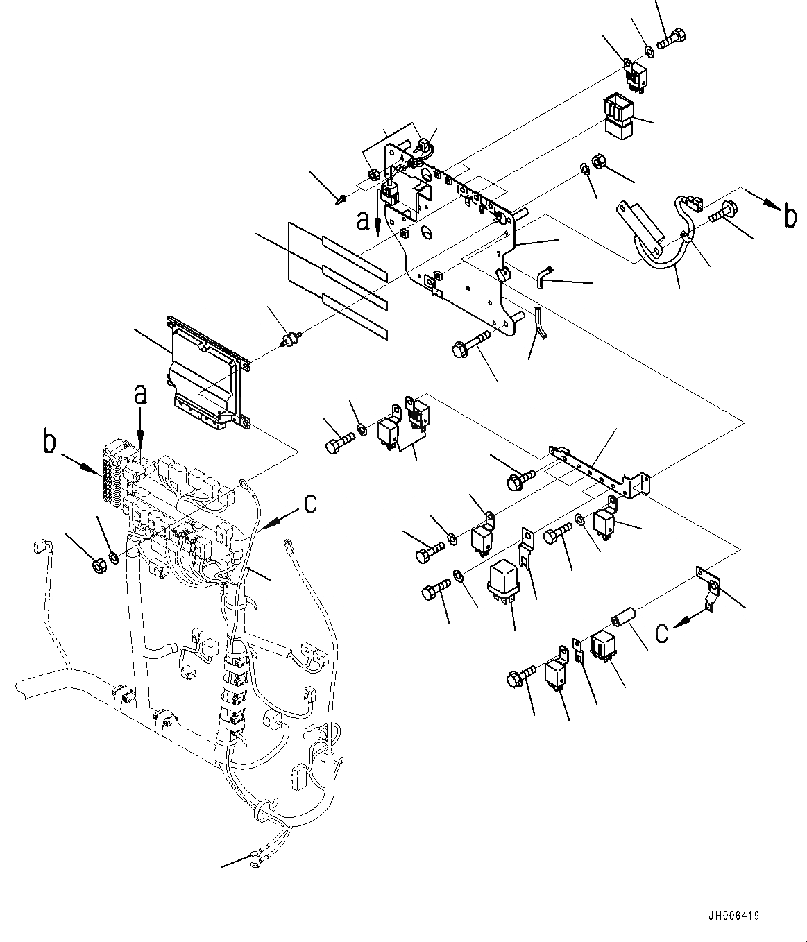
Запчасти Komatsu HB215LC-1 КАБИНА, КАБИНА IN ЧАСТИ, SUB ПЛАСТИНА И РЕЛЕ (№9-) КАБИНА, ЗАЩИТА ОТ ВАНДАЛИЗМА, -ДОПОЛН. АКТУАТОР ТРУБЫ, АККУМУЛЯТОР, AM-FM РАДИО ДЛЯ АЗИИ, ДЛЯ АВСТРАЛИИ

Схема запчастей Komatsu HB215LC-1 - КАБИНА, КАБИНА IN ЧАСТИ, SUB ПЛАСТИНА И РЕЛЕ (№9-) КАБИНА, ЗАЩИТА ОТ ВАНДАЛИЗМА, -ДОПОЛН. АКТУАТОР ТРУБЫ, АККУМУЛЯТОР, AM-FM РАДИО ДЛЯ АЗИИ, ДЛЯ АВСТРАЛИИ
1
2
3
4
5
6
7
8
10
11
12
13
14
15
16
17
18
29
25
26
23
25
26
23
25
26
19
20
25
23
25
26
3
29
24
23
26
9
7
27
28
23
22
21
FIT
1:1
100%

Артикул

Название

Примечание

Количество

1

205-53-31420

Bracket

2

205-53-31440

Sheet

3

205-53-31130

Trim

4

01435-00860

Bolt

5

7875-46-2002

Controller, Pump

6

205-53-31390

Cushion

7

01580-10605

Nut

8

209-72-12230

Washer

9

01643-30623

Washer

10

7861-94-2000

Resistor

11

01435-00820

Bolt

12

04434-50608

Clip

13

205-06-31641

Wiring Harness

13

205-06-31640

Wiring Harness

14

205-06-31650

Switch

15

208-43-71420

Cap

16

205-53-31241

Bracket

17

205-53-31140

Bracket

18

01435-00612

Bolt

19

569-06-61960

Relay

20

287-06-16420

Bracket

21

569-06-61970

Relay

22

287-06-16420

Bracket

23

7861-74-5100

Relay

24

8233-06-3350

Diode

25

01010-80610

Bolt

26

01643-30623

Washer

27

01435-00640

Bolt

28

20Y-53-K1240

Spacer

29

205-06-31491

Wiring Harness

Выбрано товаров: 30