Запчасти Komatsu HB215LC-1M0 КОМПОНЕНТЫ ДВИГАТЕЛЯ, МОТОР КОМПОНЕНТЫ (№-) КОМПОНЕНТЫ ДВИГАТЕЛЯ

Схема запчастей Komatsu HB215LC-1M0 - КОМПОНЕНТЫ ДВИГАТЕЛЯ, МОТОР КОМПОНЕНТЫ (№-) КОМПОНЕНТЫ ДВИГАТЕЛЯ
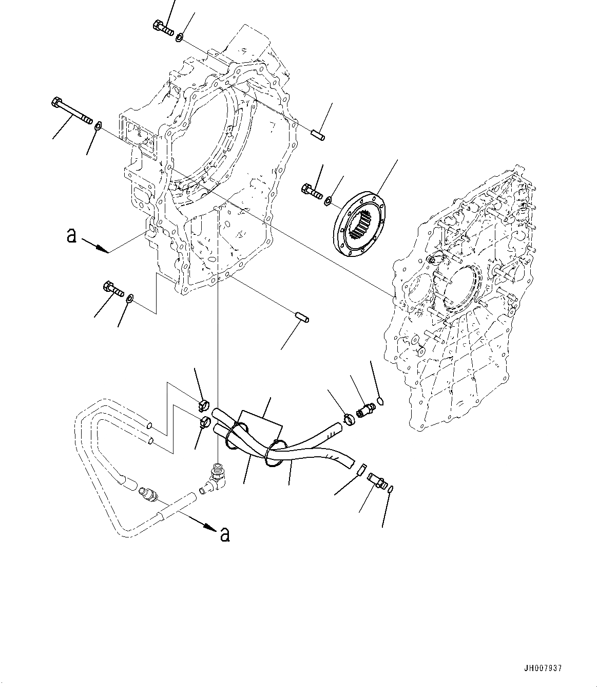
2
1
2
1
8
5
8
9
10
11
12
13
14
9
10
13
13
13
7
6
4
3
FIT
1:1
100%

Артикул

Название

Примечание

Количество

1

01010-81250

Bolt

2

01643-31232

Washer

3

01011-81215

Bolt

4

01643-31232

Washer

5

7875-12-7830

Coupling

6

01010-81040

Bolt

7

01643-31032

Washer

8

04020-01228

Pin, Dowel

9

7875-10-9581

Joint

10

07002-61823

O-ring

11

7875-12-5040

Hose Assembly

12

205-01-35140

Hose Assembly

12

7875-12-5030

Hose Assembly

13

205-03-35621

Clip

14

08034-20536

Band

Выбрано товаров: 15