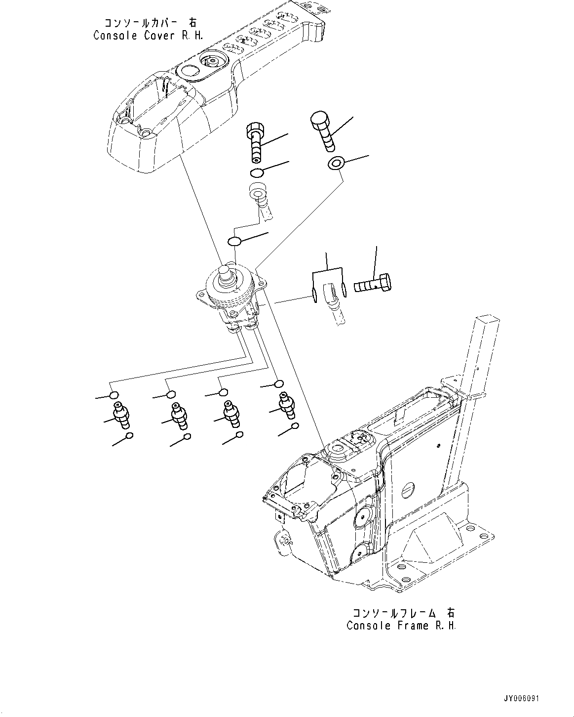
Запчасти Komatsu HB215LC-1M0 КАБИНА, ПОЛ, КЛАПАН, ПРАВ. (№-) КАБИНА, С ЗАЩИТА ОТ ВАНДАЛИЗМА, -ДОПОЛН. АКТУАТОР ТРУБЫ, АККУМУЛЯТОР, POWER ПОДАЮЩ., VOLT, МАСТЕР КЛЮЧ, ДЛЯ АВСТРАЛИИ

Схема запчастей Komatsu HB215LC-1M0 - КАБИНА, ПОЛ, КЛАПАН, ПРАВ. (№-) КАБИНА, С ЗАЩИТА ОТ ВАНДАЛИЗМА, -ДОПОЛН. АКТУАТОР ТРУБЫ, АККУМУЛЯТОР, POWER ПОДАЮЩ., VOLT, МАСТЕР КЛЮЧ, ДЛЯ АВСТРАЛИИ
9
8
7
9
9
9
8
8
8
7
7
7
4
4
3
1
2
5
6
FIT
1:1
100%

Артикул

Название

Примечание

Количество

1

01010-80820

Bolt

2

01643-30823

Washer

3

20Y-62-18910

Plug

4

07000-12018

O-ring

5

20Y-62-18890

Bolt, Joint

6

07000-12015

O-ring

7

11Y-62-12520

Union

8

02896-11009

O-ring

9

07002-11423

O-ring

Выбрано товаров: 9