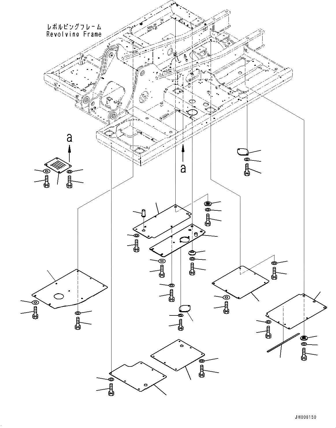
Запчасти Komatsu HB215LC-1M0 НИЖН. КРЫШКА (№-) НИЖН. КРЫШКА

Схема запчастей Komatsu HB215LC-1M0 - НИЖН. КРЫШКА (№-) НИЖН. КРЫШКА
20
21
13
14
18
12
27
24
26
25
15
34
35
16
22
23
33
32
48
49
31
44
43
30
39
40
9
8
28
7
6
2
1
4
5
29
45
46
47
41
42
17
38
37
36
19
11
10
3
FIT
1:1
100%

Артикул

Название

Примечание

Количество

1

20Y-54-77921

Cover

2

20Y-54-73630

Cover

3

20Y-54-71863

Cover

4

01010-81230

Bolt

5

01643-31232

Washer

6

01010-81230

Bolt

7

01643-31232

Washer

8

01010-81230

Bolt

9

175-54-34170

Washer

10

01010-81230

Bolt

11

01643-31232

Washer

12

205-54-32270

Cover

13

01010-81240

Bolt

14

01643-31232

Washer

|$14

205-54-37871

Cover

15

205-54-36520

Sheet

16

Cover

17

205-54-32270

Cover

18

205-54-36421

Cover

19

205-54-37161

Cover

|$20

205-54-37180

Cover

20

Cover

21

22U-54-24760

Grommet

22

01010-81230

Bolt

23

01643-31232

Washer

24

20Y-54-12550

Collar

25

01010-81230

Bolt

26

01643-31232

Washer

27

20Y-54-71890

Cover

28

01010-81230

Bolt

29

175-54-34170

Washer

30

01010-81230

Bolt

31

01643-31232

Washer

32

01010-81230

Bolt

33

175-54-34170

Washer

34

01010-81230

Bolt

35

01643-31232

Washer

36

01010-81240

Bolt

37

01643-31232

Washer

38

20Y-973-2430

Collar

39

01010-81240

Bolt

40

175-54-34170

Washer

41

01010-81230

Bolt

42

01643-31232

Washer

43

01010-81230

Bolt

44

01643-31232

Washer

45

01010-81230

Bolt

46

01643-31232

Washer

47

20Y-54-12550

Collar

48

01010-81240

Bolt

49

01643-31232

Washer

Выбрано товаров: 51