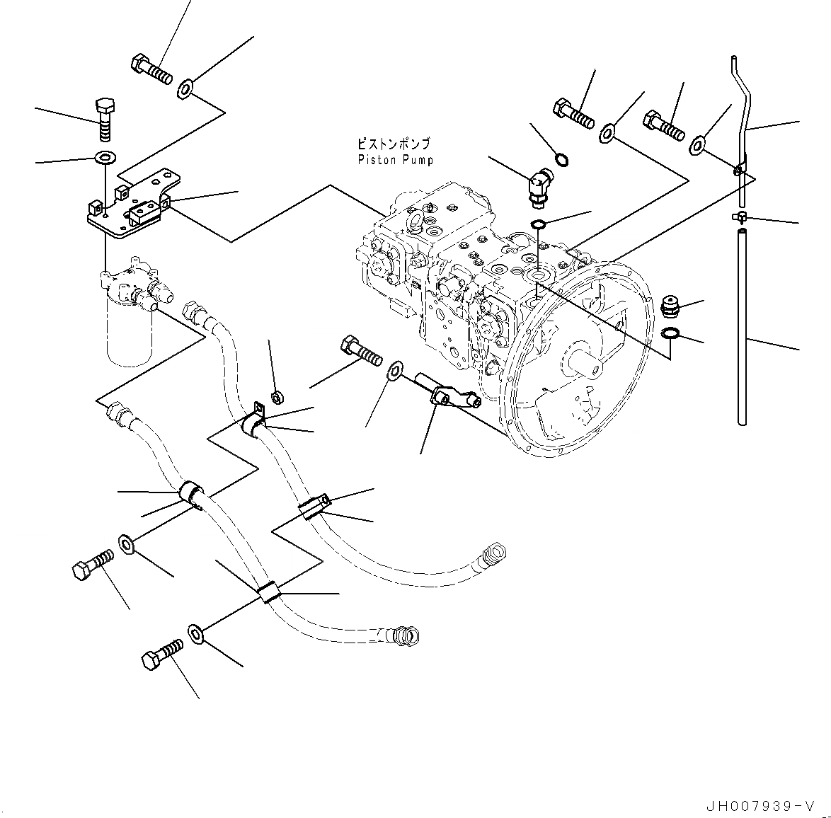
Запчасти Komatsu HB215LC-1M0 КОМПОНЕНТЫ ДВИГАТЕЛЯ, НАСОС КОМПОНЕНТЫ (/) (№-) КОМПОНЕНТЫ ДВИГАТЕЛЯ

Схема запчастей Komatsu HB215LC-1M0 - КОМПОНЕНТЫ ДВИГАТЕЛЯ, НАСОС КОМПОНЕНТЫ (/) (№-) КОМПОНЕНТЫ ДВИГАТЕЛЯ
1
2
3
11
12
13
25
24
19
19
19
19
21
20
20
20
20
14
8
4
5
9
7
6
10
16
15
17
18
22
23
22
23
FIT
1:1
100%

Артикул

Название

Примечание

Количество

1

205-01-32120

Tube

2

07260-20950

Hose

3

07285-00155

Clip

4

01010-81045

Bolt

5

01643-31032

Washer

6

01010-81055

Bolt

7

01643-31032

Washer

8

205-62-31380

Bracket

9

01010-81070

Bolt

10

01643-31032

Washer

11

02782-10628

Elbow

12

02896-11018

O-ring

13

07002-12434

O-ring

14

205-01-32112

Bracket

15

01010-80825

Bolt

16

01643-30823

Washer

17

01010-81245

Bolt

18

205-01-32150

Spacer

19

07095-40627

Cushion

20

04434-53412

Clip

21

198-43-15310

Collar

22

01010-81235

Bolt

23

01643-31232

Washer

24

232-23-11220

Breather

25

07005-03016

Seal, Washer

Выбрано товаров: 25