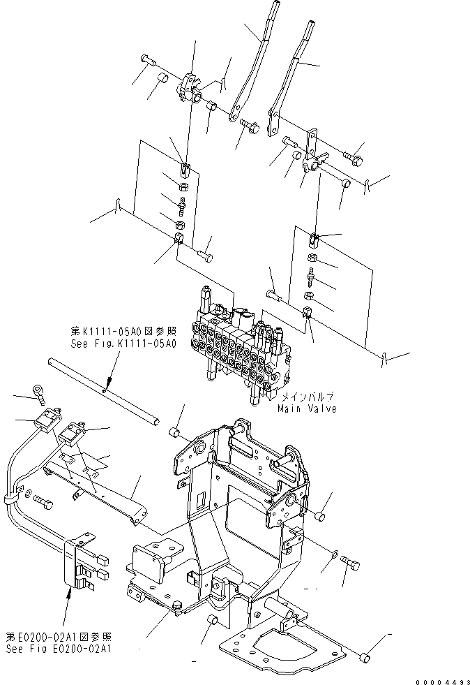
Запчасти Komatsu MX09 ОСНОВН. РЫЧАГ УПРАВЛ-Я (КОРПУС И ХОД) (ISO SHIFT PATTERN) КАБИНА ОПЕРАТОРА И СИСТЕМА УПРАВЛЕНИЯ

Схема запчастей Komatsu MX09 - ОСНОВН. РЫЧАГ УПРАВЛ-Я (КОРПУС И ХОД) (ISO SHIFT PATTERN) КАБИНА ОПЕРАТОРА И СИСТЕМА УПРАВЛЕНИЯ
1
2
2
2
2
3
4
4
5
6
7
8
8
9
10
11
11
12
12
13
13
14
14
15
15
16
16
16
16
17
17
17
17
18
19
20
21
21
22
23
FIT
1:1
100%

Артикул

Название

Примечание

Количество

1

456-905

BRACKET,MAIN

2

451-024

BUSHING

3

453-123

LEVER,L.H.

4

451-033

BUSHING

5

453-124

LEVER,L.H.

6

456-804

BOLT

7

453-125

LEVER,R.H.

8

451-024

BUSHING

9

453-126

LEVER,R.H.

10

456-804

BOLT

11

454-912

YOKE

12

108-046

NUT

13

454-913

YOKE

14

455-057

ROD

15

454-927

NUT

16

454-153

PIN

17

454-080

PIN,COTTER

18

455-359

BRACKET

19

107-968

BOLT

20

455-225

WASHER

21

455-641

SWITCH

22

456-604

BOLT

23

455-617

SPACER¤ 3.2MM

|23

455-616

SPACER¤ 1.6MM

|23

455-614

SPACER¤ 0.8MM

Выбрано товаров: 25