Запчасти Komatsu MX15 РЕГУЛЯТОР ГУСЕНИЧНАЯ РАМА (/) ХОДОВАЯ

Схема запчастей Komatsu MX15 - РЕГУЛЯТОР ГУСЕНИЧНАЯ РАМА (/) ХОДОВАЯ
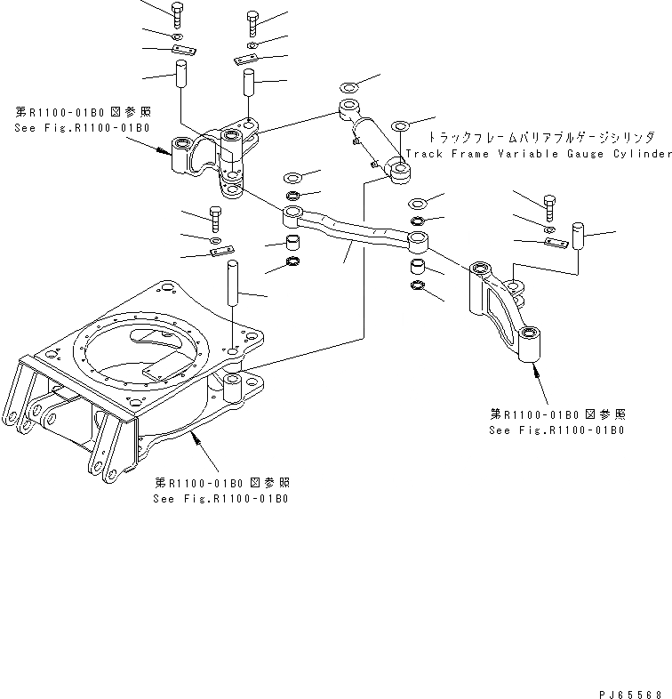
1
2
2
3
3
3
3
4
5
6
7
8
9
9
9
10
10
10
11
11
11
12
12
12
13
13
13
FIT
1:1
100%

Артикул

Название

Примечание

Количество

|1

453-230

LINK ASS'Y

2

451-034

BUSHING

3

456-115

SEAL,DUST

4

454-195

PIN

5

453-255

LOCK

6

105-274

BOLT

7

455-220

WASHER

8

457-416

SPACER¤ 1.0MM

9

454-196

PIN

10

453-255

LOCK

11

105-274

BOLT

12

455-220

WASHER

13

457-416

SPACER¤ 1.0MM

Выбрано товаров: 13