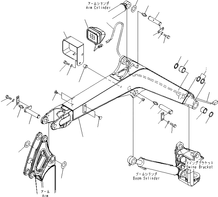
Запчасти Komatsu MX182 СТРЕЛА РАБОЧЕЕ ОБОРУДОВАНИЕ

Схема запчастей Komatsu MX182 - СТРЕЛА РАБОЧЕЕ ОБОРУДОВАНИЕ
1
2
2
3
3
3
4
4
5
6
7
8
9
10
11
11
12
13
14
14
15
16
17
18
19
20
21
22
23
24
25
26
27
28
FIT
1:1
100%

Артикул

Название

Примечание

Количество

|1

460-156

BOOM ASS'Y

2

460-208

BUSHING

3

452-190

SEAL,DUST

4

451-199

CAP

5

451-207

CAP

6

453-096

WORK LAMP ASS'Y

|6

451-004

BULB¤ 55W

7

460-177

BRACKET

8

451-546

COLLAR

9

106-477

BOLT

10

455-217

WASHER

11

461-015

WIRING HARNESS

12

460-624

PIN

13

452-420

FITTING,GREASE

14

457-416

SPACER¤ 1.0MM

15

454-427

PLATE

16

105-274

BOLT

17

455-220

WASHER

18

460-625

PIN

19

452-420

FITTING,GREASE

20

453-257

LOCK

21

107-994

BOLT

22

455-217

WASHER

23

460-626

PIN

24

452-420

FITTING,GREASE

25

453-255

LOCK

26

457-416

SPACER¤ 1.0MM

27

105-274

BOLT

28

455-220

WASHER

Выбрано товаров: 29