Запчасти Komatsu MX182 ОСНОВН. КОНСТРУКЦИЯ (ЭЛЕКТР.) КАБИНА ОПЕРАТОРА И СИСТЕМА УПРАВЛЕНИЯ

Схема запчастей Komatsu MX182 - ОСНОВН. КОНСТРУКЦИЯ (ЭЛЕКТР.) КАБИНА ОПЕРАТОРА И СИСТЕМА УПРАВЛЕНИЯ
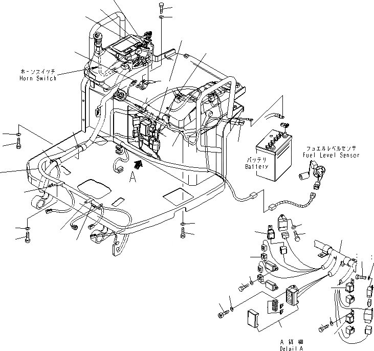
1
1
2
3
3
3
4
5
6
6
6
6
7
8
9
10
11
12
12
13
14
15
16
17
18
19
20
21
22
23
23
23
24
25
25
25
25
26
26
26
26
FIT
1:1
100%

Артикул

Название

Примечание

Количество

1

461-013

WIRING HARNESS

2

453-200

FUSIBLE LINK

3

452-157

DIODE

4

460-158

BOX,FUSE

5

452-499

FUSE¤ 10A

|5

452-501

FUSE¤ 20A

|5

452-502

FUSE¤ 30A

6

451-421

CLIP

7

105-274

BOLT

8

455-220

WASHER

9

457-657

CLIP

10

107-975

BOLT

11

455-220

WASHER

12

451-500

CLIP

13

105-274

BOLT

14

455-220

WASHER

15

459-740

BOLT

16

455-130

WASHER

17

453-976

STARTING SWITCH

18

451-189

CAP

19

450-106

BAND

20

459-096

CLIP

21

105-274

BOLT

22

455-220

WASHER

23

460-742

RELAY

24

458-044

TIMER

25

107-955

BOLT

26

455-130

WASHER

Выбрано товаров: 28