Запчасти Komatsu MX202 КРЕПЛЕНИЕ ОСН. КОНСТРУКЦИИ (НАКЛОН. СИСТЕМА) (КАБИНА) КАБИНА ОПЕРАТОРА И СИСТЕМА УПРАВЛЕНИЯ

Схема запчастей Komatsu MX202 - КРЕПЛЕНИЕ ОСН. КОНСТРУКЦИИ (НАКЛОН. СИСТЕМА) (КАБИНА) КАБИНА ОПЕРАТОРА И СИСТЕМА УПРАВЛЕНИЯ
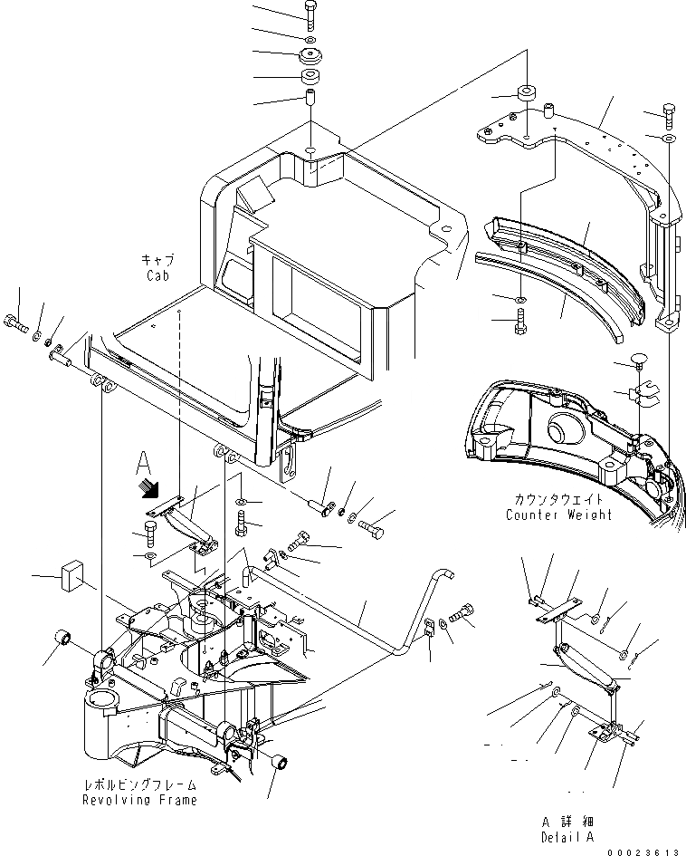
1
2
3
4
5
6
7
8
9
10
10
11
12
13
14
15
15
16
16
17
17
18
18
19
19
20
20
21
22
23
23
24
24
25
26
27
28
28
29
29
30
31
32
33
34
35
36
37
38
39
40
41
42
43
FIT
1:1
100%

Артикул

Название

Примечание

Количество

1

461-080

BRACKET

2

108-018

BOLT

3

459-699

WASHER

4

461-537

SHIM¤ 1.0MM

5

461-130

CAP

6

461-156

COVER

7

461-332

SHEET

8

105-274

BOLT

9

455-220

WASHER

10

451-948

CUSHION

11

457-659

COLLAR

12

457-658

COLLAR

13

108-228

BOLT

14

455-227

WASHER

15

456-963

BUSHING

16

458-444

PIN

17

451-545

COLLAR

18

105-274

BOLT

19

455-220

WASHER

20

458-815

GAS SPRING

21

458-440

PIN

22

458-439

PIN

23

458-448

PIN,SNAP

24

455-220

WASHER

25

458-924

WIRE

26

458-441

PIN

27

458-456

PIN

28

455-225

WASHER

29

458-447

PIN,SNAP

30

458-701

SHEET

31

461-088

BRACKET

32

107-966

BOLT

33

455-220

WASHER

34

456-923

BRACKET

35

107-966

BOLT

36

455-220

WASHER

37

456-850

BAR

38

457-645

CLAMP

39

107-979

BOLT

40

455-220

WASHER

41

457-647

CLAMP

42

107-981

BOLT

43

455-220

WASHER

Выбрано товаров: 0