Качественные детали и логистика
Оригинальные и аналоговые запчасти с доставкой по России, Казахстану и Беларуси
©2022 PartSell ООО "Система" ИНН 2463123282 ОГРН 1212400004838
Центральный офис: г. Красноярск, Академика Киренского, д.87, пом.4
Телефон: 8 (800) 777-65-74 Email: zakaz@partsell.ru
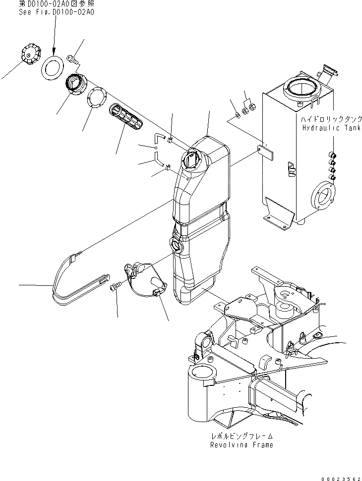
ТОПЛИВН. БАК. (БЕЗОПАСН. KEY ТИП)
№
Артикул
Название
Примечание
Количество
1
461-224
FUEL TANK
2
452-393
FILLER
3
454-003
PACKING
4
455-243
SCREW
5
458-839
STRAINER
6
461-129
CAP
7
461-238
GAUGE
8
452-435
FLOAT
9
451-508
CLIP
10
452-594
GAUGE,FUEL LEVEL
|10
454-004
11
12
461-054
BAND
13
108-047
NUT
14
455-225
WASHER
Выбрано товаров: 0