Запчасти Komatsu MX202 ПРАВ. КРЫШКА(/) ЧАСТИ КОРПУСА

Схема запчастей Komatsu MX202 - ПРАВ. КРЫШКА(/) ЧАСТИ КОРПУСА
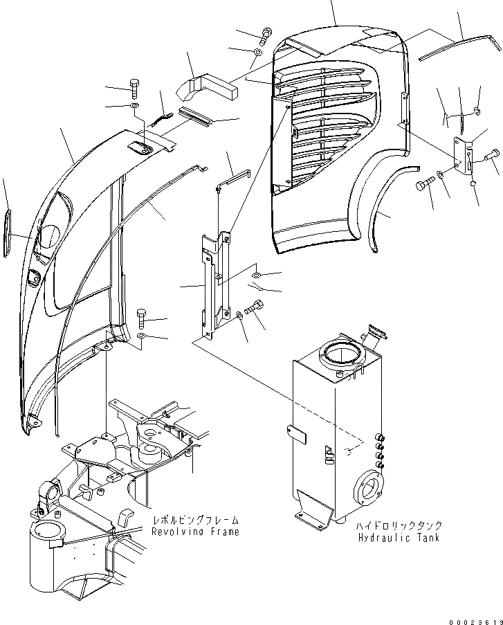
1
2
3
4
5
6
6
7
7
8
9
10
11
12
13
14
15
16
17
18
19
20
21
21
22
22
23
24
25
FIT
1:1
100%

Артикул

Название

Примечание

Количество

1

461-169

COVER

2

461-225

GARNISH

3

461-226

GARNISH

4

461-227

GARNISH

5

461-509

SEAL

6

105-274

BOLT

7

455-220

WASHER

8

461-168

COVER

9

461-082

BRACKET

10

107-965

BOLT

11

455-225

WASHER

12

458-831

STOPPER

13

458-527

PLATE

14

454-099

PIN

15

455-110

WASHER,SPRING

16

451-666

PIN,COTTER

17

461-339

SHEET

18

461-228

GARNISH

19

461-505

SEAL

20

461-254

HINGE

21

107-965

BOLT

22

455-225

WASHER

23

458-611

ROD

24

455-225

WASHER

25

454-081

PIN,COTTER

Выбрано товаров: 25