Качественные детали и логистика
Оригинальные и аналоговые запчасти с доставкой по России, Казахстану и Беларуси
©2022 PartSell ООО "Система" ИНН 2463123282 ОГРН 1212400004838
Центральный офис: г. Красноярск, Академика Киренского, д.87, пом.4
Телефон: 8 (800) 777-65-74 Email: zakaz@partsell.ru
ВОЗВРАТ. ЛИНИЯ
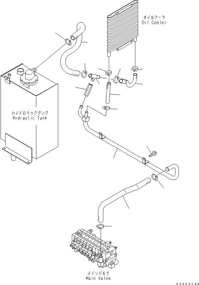
№
Артикул
Название
Примечание
Количество
1
452-960
HOSE
2
451-332
CLAMP
3
458-124
TUBE
4
458-023
TEE
5
456-804
BOLT
6
452-968
7
452-969
8
9
451-396
10
452-970
11
12
451-301
CHECK VALVE ASS'Y
Выбрано товаров: 0