Запчасти Komatsu MX27 НАВЕСНОЕ ОБОРУД-Е (ШАССИ) ГИДРАВЛИКА

Схема запчастей Komatsu MX27 - НАВЕСНОЕ ОБОРУД-Е (ШАССИ) ГИДРАВЛИКА
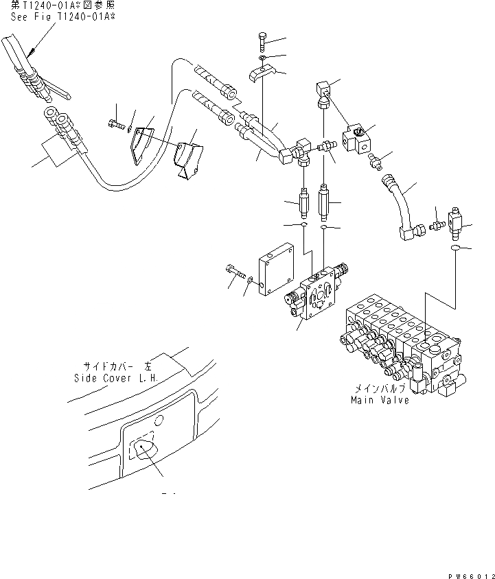
1
2
3
4
5
6
7
8
9
10
11
12
13
14
15
15
16
17
18
19
20
21
22
23
24
25
FIT
1:1
100%

Артикул

Название

Примечание

Количество

1

458-371

VALVE SUB ASS'Y,(SEE FIG.Y1669-01A0)

2

107-972

BOLT

3

455-221

WASHER

4

453-445

NIPPLE

5

453-562

O-RING

6

453-444

NIPPLE

7

453-562

O-RING

8

455-765

TUBE

9

455-766

TUBE

10

458-165

TUBE

11

458-027

TEE

12

453-687

O-RING

13

451-599

CONNECTOR

14

458-312

VALVE ASS'Y

15

451-600

CONNECTOR

16

452-324

ELBOW

17

455-703

CLAMP

18

107-981

BOLT

19

455-220

WASHER

20

457-156

HOSE

21

455-704

CLAMP

22

455-718

COVER

23

107-985

BOLT

24

455-220

WASHER

25

454-611

PLATE

Выбрано товаров: 25