Запчасти Komatsu MX27 ОСНОВН. КОНСТРУКЦИЯ (ПОЛ) (ДЛЯ КАБИНЫ) КАБИНА ОПЕРАТОРА И СИСТЕМА УПРАВЛЕНИЯ

Схема запчастей Komatsu MX27 - ОСНОВН. КОНСТРУКЦИЯ (ПОЛ) (ДЛЯ КАБИНЫ) КАБИНА ОПЕРАТОРА И СИСТЕМА УПРАВЛЕНИЯ
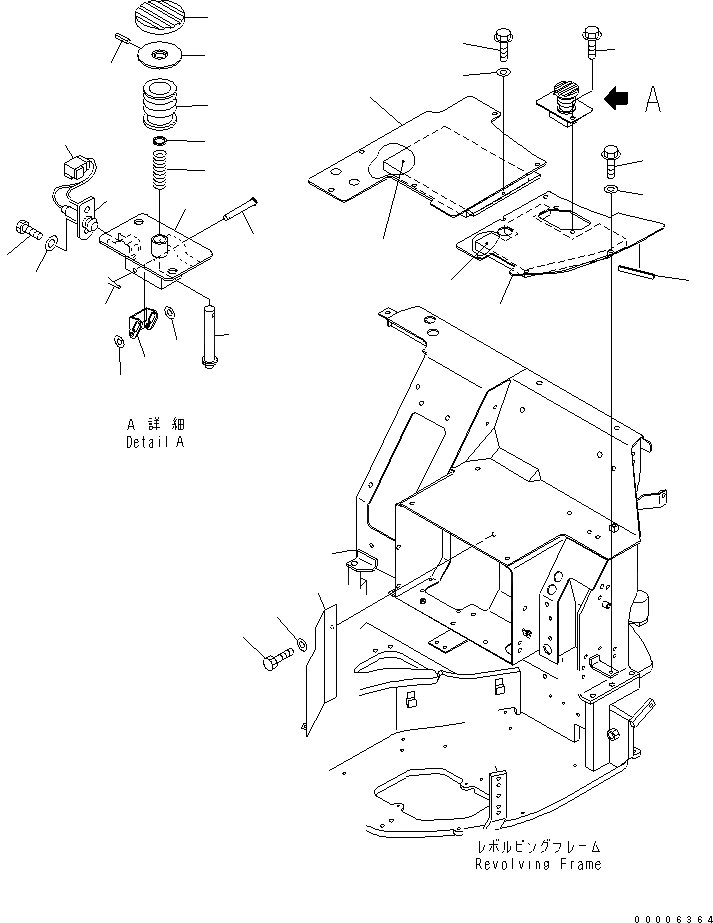
1
2
3
4
5
5
6
6
7
8
9
10
11
12
13
14
15
16
17
18
19
20
21
22
23
23
24
25
26
27
FIT
1:1
100%

Артикул

Название

Примечание

Количество

1

452-441

FLOOR,R.H.

2

456-430

SHEET

3

452-442

FLOOR,L.H.

4

455-754

SHEET

5

456-796

BOLT

6

455-138

WASHER

7

456-067

SEAL

8

450-271

BOOT

9

451-186

CAP

10

454-050

PEDAL

11

455-155

WASHER

12

456-245

SHAFT

13

450-239

BODY

14

453-728

SPRING

15

453-969

SWITCH

16

455-302

SCREW

17

455-114

WASHER

18

454-865

WIRING HARNESS

19

454-079

PIN

20

450-354

BRACKET

21

454-173

PIN

22

451-666

PIN

23

455-119

WASHER

24

456-804

BOLT

25

454-604

PLATE

26

105-274

BOLT

27

455-220

WASHER

Выбрано товаров: 27