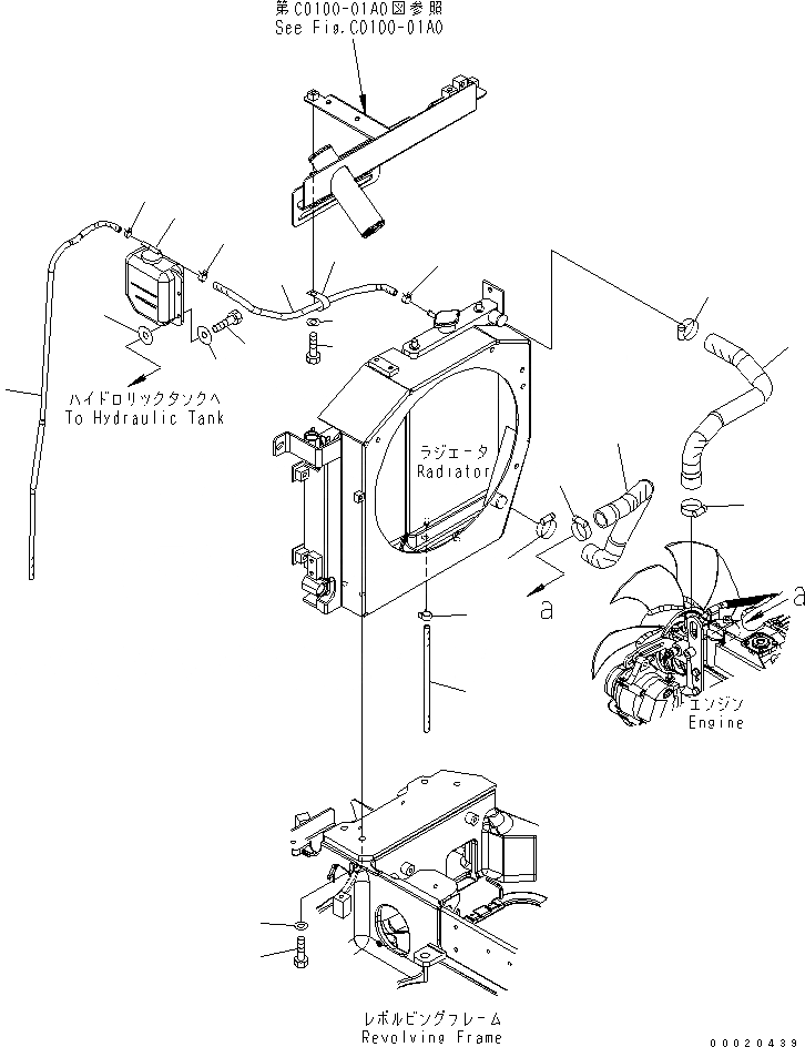
Запчасти Komatsu MX272 ОХЛАЖД-Е (СИСТЕМА ТРУБ РАДИАТОРА) СИСТЕМА ОХЛАЖДЕНИЯ

Схема запчастей Komatsu MX272 - ОХЛАЖД-Е (СИСТЕМА ТРУБ РАДИАТОРА) СИСТЕМА ОХЛАЖДЕНИЯ
1
2
3
4
5
5
5
5
6
7
8
8
9
10
11
12
12
12
13
14
15
16
FIT
1:1
100%

Артикул

Название

Примечание

Количество

1

107-985

BOLT

2

455-220

WASHER

3

459-868

HOSE

4

459-889

HOSE

5

451-326

CLAMP

6

458-006

TANK ASS'Y

7

107-955

BOLT

8

455-170

WASHER

9

457-897

HOSE

10

457-896

HOSE

11

457-904

HOSE

12

451-435

CLIP

13

451-508

CLIP

14

457-652

CLIP

15

107-965

BOLT

16

455-225

WASHER

Выбрано товаров: 16