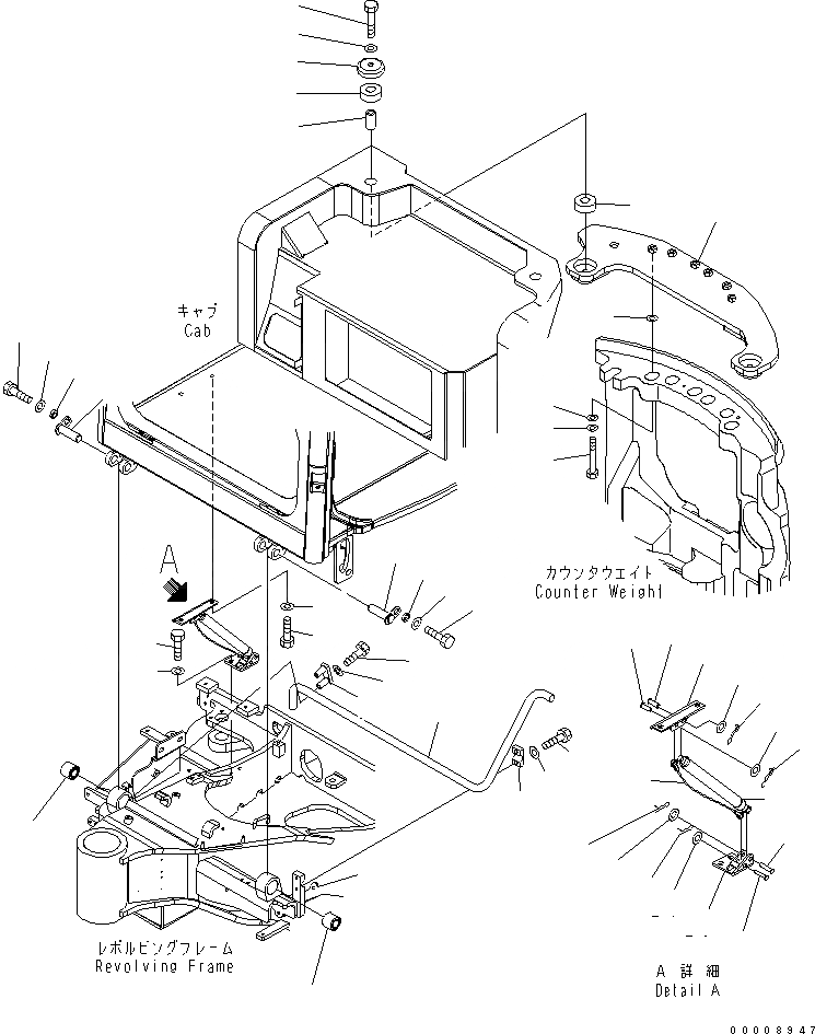
Запчасти Komatsu MX272 КРЕПЛЕНИЕ ОСН. КОНСТРУКЦИИ (НАКЛОН. СИСТЕМА) (КАБИНА) КАБИНА ОПЕРАТОРА И СИСТЕМА УПРАВЛЕНИЯ

Схема запчастей Komatsu MX272 - КРЕПЛЕНИЕ ОСН. КОНСТРУКЦИИ (НАКЛОН. СИСТЕМА) (КАБИНА) КАБИНА ОПЕРАТОРА И СИСТЕМА УПРАВЛЕНИЯ
1
2
3
4
5
6
6
7
8
9
10
11
11
12
12
13
13
14
14
15
15
16
17
18
19
19
20
20
21
22
23
24
24
25
25
26
27
28
29
30
31
32
33
34
35
36
37
38
FIT
1:1
100%

Артикул

Название

Примечание

Количество

1

456-921

BRACKET

2

108-130

BOLT

3

455-224

WASHER

4

455-228

WASHER

5

458-912

WASHER

6

451-948

CUSHION

7

457-659

COLLAR

8

457-658

COLLAR

9

108-030

BOLT

10

455-227

WASHER

11

456-963

BUSHING

12

458-444

PIN

13

451-545

COLLAR

14

105-274

BOLT

15

455-220

WASHER

16

458-815

GAS SPRING

17

458-440

PIN

18

458-439

PIN

19

458-448

PIN,SNAP

20

455-220

WASHER

21

458-924

WIRE

22

458-441

PIN

23

458-456

PIN

24

455-225

WASHER

25

458-447

PIN,SNAP

26

456-924

BRACKET

27

107-966

BOLT

28

455-220

WASHER

29

456-923

BRACKET

30

107-966

BOLT

31

455-220

WASHER

32

456-850

BAR

33

457-645

CLAMP

34

107-985

BOLT

35

455-220

WASHER

36

457-647

CLAMP

37

106-642

BOLT

38

455-220

WASHER

Выбрано товаров: 38