Запчасти Komatsu MX272 МЕХАНИЗМ ПОВОРОТА И МОТОР (СОЕДИНИТЕЛЬН. ЧАСТИ) ПОВОРОТН. КРУГ И КОМПОНЕНТЫ

Схема запчастей Komatsu MX272 - МЕХАНИЗМ ПОВОРОТА И МОТОР (СОЕДИНИТЕЛЬН. ЧАСТИ) ПОВОРОТН. КРУГ И КОМПОНЕНТЫ
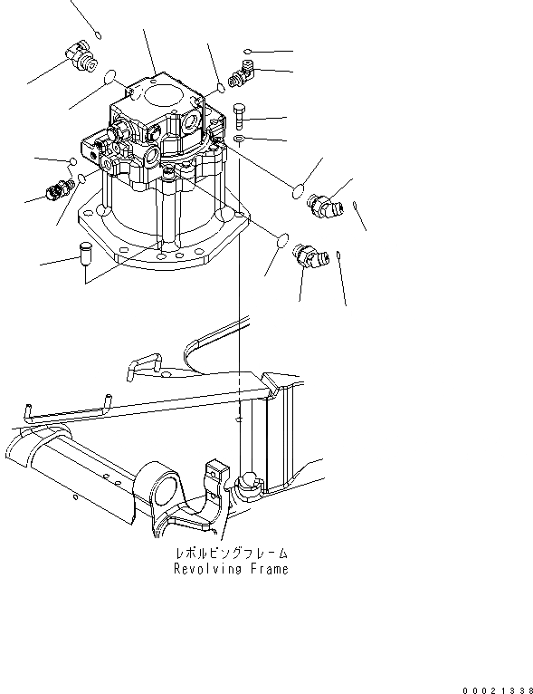
1
2
3
4
5
6
7
7
8
8
9
10
11
12
13
14
15
16
17
FIT
1:1
100%

Артикул

Название

Примечание

Количество

1

460-023

SWING MACHINERY A.,(SEE FIG.Y1260-01A0)

2

107-996

BOLT

3

455-217

WASHER

4

454-120

PIN,DOWEL

5

452-354

ELBOW

6

457-765

ELBOW

7

453-689

O-RING

8

453-697

O-RING

9

452-306

ELBOW

10

453-688

O-RING

11

453-695

O-RING

12

457-765

ELBOW

13

453-689

O-RING

14

453-697

O-RING

15

458-229

ELBOW

16

453-688

O-RING

17

453-695

O-RING

Выбрано товаров: 17