Качественные детали и логистика
Оригинальные и аналоговые запчасти с доставкой по России, Казахстану и Беларуси
©2022 PartSell ООО "Система" ИНН 2463123282 ОГРН 1212400004838
Центральный офис: г. Красноярск, Академика Киренского, д.87, пом.4
Телефон: 8 (800) 777-65-74 Email: zakaz@partsell.ru
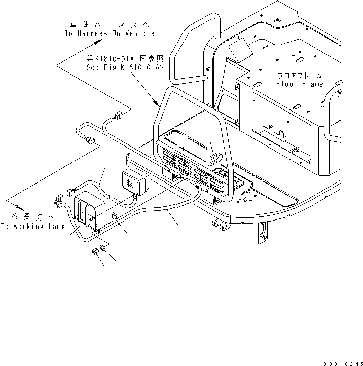
ДОПОЛН. РАБОЧ. ОСВЕЩЕНИЕ (НАВЕС)
№
Артикул
Название
Примечание
Количество
1
456-947
BRACKET
2
453-096
WORK LAMP ASS'Y
|2
451-004
BULB¤ 55W
3
451-432
CLIP
4
458-685
SEAT
5
455-523
NUT
6
455-220
WASHER
7
458-928
WIRING HARNESS
8
450-106
BAND
Выбрано товаров: 0