Запчасти Komatsu MX272 ОСНОВН. КЛАПАН (СОЕДИНИТЕЛЬН. ЧАСТИ) (/) ГИДРАВЛИКА

Схема запчастей Komatsu MX272 - ОСНОВН. КЛАПАН (СОЕДИНИТЕЛЬН. ЧАСТИ) (/) ГИДРАВЛИКА
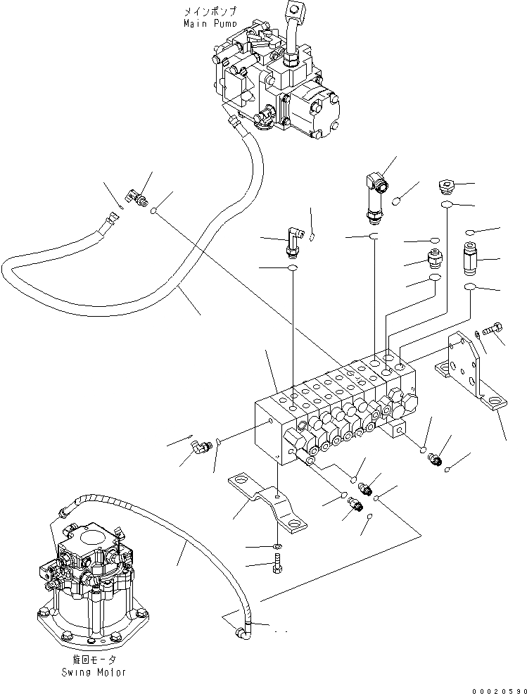
1
2
3
4
5
6
7
8
9
10
11
12
13
14
15
16
17
18
19
20
21
22
23
24
25
26
27
28
29
30
31
32
33
34
35
36
37
38
39
FIT
1:1
100%

Артикул

Название

Примечание

Количество

1

459-791

CONTROL VALVE,(SEE FIG.Y1660-01A0)

2

456-898

BRACKET

3

107-985

BOLT

4

455-220

WASHER

5

459-759

BRACKET

6

107-962

BOLT

7

455-225

WASHER

8

459-827

ELBOW

9

459-923

O-RING

10

453-687

O-RING

11

459-916

NIPPLE

12

453-503

O-RING

13

453-687

O-RING

14

450-645

PLUG

15

453-687

O-RING

16

460-037

UNION

17

453-689

O-RING

18

453-687

O-RING

19

459-830

ELBOW

20

453-688

O-RING

21

453-695

O-RING

22

459-859

HOSE

23

452-218

ELBOW

24

453-689

O-RING

25

453-562

O-RING

26

458-229

ELBOW

27

453-688

O-RING

28

453-695

O-RING

29

458-889

UNION

30

453-688

O-RING

31

453-695

O-RING

32

459-917

NIPPLE

33

453-688

O-RING

34

453-695

O-RING

35

457-864

HOSE

36

458-889

UNION

37

453-688

O-RING

38

453-695

O-RING

39

454-510

PLATE¤ C

Выбрано товаров: 39